Rekuperation
-
Niu
- Beiträge: 1
- Registriert: Fr 13. Jul 2018, 17:27
- Roller: Niu N1S
- PLZ: 7689
- Kontaktdaten:
Re: Recuperation
Hallo, fahre seit kurzem ein Niu N1S sondermodel,
Nun meine Frage: rekuperiert der Roller nur mit der vorderen Bremse oder auch mit der hinteren? Ich bin der Meinung das R = Recycling schon bei beiden Bremsen aufleuchten gesehen zu haben. War heute beim Händler bezüglich nicht funktionierendem Bremslicht (hintere Bremse) , recht nerviges schleifen der Bremsscheibe und der besagtem rekuperation. Seiner Meinung nach würde der jedoch nur die vordere Bremse Energie erzeugen.
Nun meine Frage: rekuperiert der Roller nur mit der vorderen Bremse oder auch mit der hinteren? Ich bin der Meinung das R = Recycling schon bei beiden Bremsen aufleuchten gesehen zu haben. War heute beim Händler bezüglich nicht funktionierendem Bremslicht (hintere Bremse) , recht nerviges schleifen der Bremsscheibe und der besagtem rekuperation. Seiner Meinung nach würde der jedoch nur die vordere Bremse Energie erzeugen.
-
sunnyville
Re: Recuperation
Recuperation findet statt egal welchen Bremshebel du bedienst. Du siehst es daran dass das Symbol (wenn du unter 96% Akku bist) an geht und dass der Roller verzögert. Das passiert quasi bevor du stark genug g am Hebel ziehst um die Bremsen zu nutzen.
-
derwok
- Beiträge: 28
- Registriert: Fr 13. Okt 2017, 08:08
- Roller: NIU N1S (2018)
- PLZ: 91056
- Wohnort: 91056
- Kontaktdaten:
Re: Recuperation
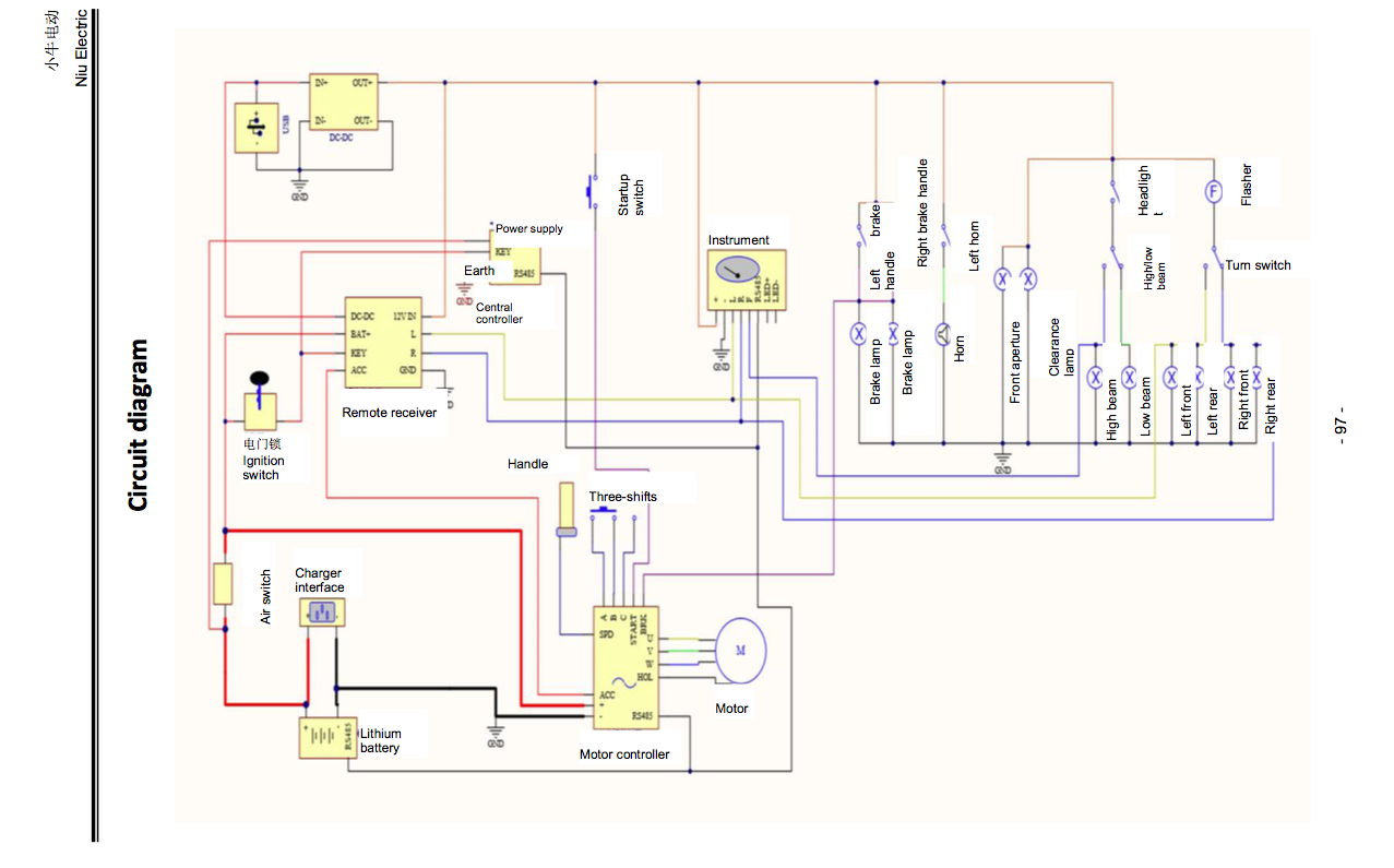
In beiden Bremshebeln sind kleine Micro-Schalter verbaut, die auslösen, noch bevor die Hydraulik wirklich die Bremsklötze bewegt. Die kannst die Schalter sogar sehen, wenn Du (im Stand!!) einen Hebel stark anzoehst und dann in den Spalt schaust. An diesen elektr. Schaltern hängt das Bremslicht (hinten & vorne, was ja Sinn macht). Und auf demselben "Kanal" lauscht auch der Controller, um die Rekuperation einzuschalten.
- 4KW
- Beiträge: 181
- Registriert: Mi 24. Jun 2015, 11:56
- Roller: Gilera X-Runner / NIU N1S 2018
- PLZ: 8
- Tätigkeit: Dr. Dr. im Beobachten
- Kontaktdaten:
Re: Rekuperation
Sehr gut , jetzt muss ich nur noch rausfinden welche von den Kabeln für die Recu. ist und herrausziehen
Aber mal im Ernst hat jemand zufällig Controller belegungsplan wie zb das von QS evntl. Farbcode der Kabelageeen ?
Ps so wie jeder hier beschreibt : ist die Aktivität der Recu. von jeweiligen Controller Firmware und Einstellung in der Software abhängig. Und das ganze auf das Batterie-Modell und Niu Baujahr Modell eingestellt - also bei jedem anders.
Aber mal im Ernst hat jemand zufällig Controller belegungsplan wie zb das von QS evntl. Farbcode der Kabelageeen ?
Ps so wie jeder hier beschreibt : ist die Aktivität der Recu. von jeweiligen Controller Firmware und Einstellung in der Software abhängig. Und das ganze auf das Batterie-Modell und Niu Baujahr Modell eingestellt - also bei jedem anders.
-
chrispiac
- Beiträge: 3438
- Registriert: So 23. Jul 2017, 18:15
- Roller: NIU N1S (2017), Trinity Jupiter 11 (2017), NIU N-GT (2019)
- PLZ: 520xx
- Wohnort: Aachen
- Kontaktdaten:
Re: Rekuperation
Also im Prinzip wäre es das am Motorcontroller ankommende „BRK“ Kabel. Da es aber in einem Stecker mit mehreren Kabeln am Motorcontroller ankommt, dürfte es schwierig sein, es einfach herauszuziehen. Zudem dürfte ohne funktionierende Bremse der NIU nicht losfahren, insofern würde ich mich wundern, wenn der NIU ohne Kontakt dieses Kabels überhaupt losfährt… aber man kann es ja mal versuchen.
- vsm
- Administrator
- Beiträge: 3045
- Registriert: Mo 15. Mai 2017, 12:18
- PLZ: 12
- Kontaktdaten:
-
chrispiac
- Beiträge: 3438
- Registriert: So 23. Jul 2017, 18:15
- Roller: NIU N1S (2017), Trinity Jupiter 11 (2017), NIU N-GT (2019)
- PLZ: 520xx
- Wohnort: Aachen
- Kontaktdaten:
Re: Rekuperation
Ich denke, beim Einschalten (wenn die „Lichtorgel“ auf dem Display abläuft) wird das von der Motorcontrollerfirmware überprüft (wäre typisch für Bosch).
Hier nochmal der -> LINK <- für das gesamte „N1S Operation & Maintenance Manual for Electric Scooter N1S“, dann hat 4KW auch die Chance das richtige Kabel zu finden.
Hier nochmal der -> LINK <- für das gesamte „N1S Operation & Maintenance Manual for Electric Scooter N1S“, dann hat 4KW auch die Chance das richtige Kabel zu finden.
- vsm
- Administrator
- Beiträge: 3045
- Registriert: Mo 15. Mai 2017, 12:18
- PLZ: 12
- Kontaktdaten:
Re: Rekuperation
Das ginge dann ja höchstens über den Widerstand der Glühlampe zu GND und hieße, dass man mit defektem Bremslicht nicht mal zur nächsten Tanke käme... Fänd' ich persönlich ein bisschen doof... 
- Jan P.
- Beiträge: 1069
- Registriert: So 21. Jun 2015, 19:54
- Roller: NIU N-Pro
- PLZ: 79...
- Wohnort: Freiburg i.Br. / BW
- Kontaktdaten:
Interessante Diskussion !
Insgesamt glaube ich, dass die Rückgewinnung bergab oder beim Bremsen,
eine gute Idee ist. Ich denke da aber eher an größere E-Fahrzeuge oder
E-Autos. In der "50ger"-Klasse, die hier die meisten fahren, hilft vielleicht,
(wie Alf es andeutete), eine vorrausschauende Fahrweise, um erst garnicht
viel Bremsenergie umwandeln zu müssen.
Die hohe Berg u. Talfahrt dürften unsere
E-Roller wohl eher selten machen.
Zu der Bremswirkung einer Rekuperation, kommt jedoch immer noch eine gewisse Systembedingte
Geräuschkulisse hinzu, die ich in unseren ruhigen Geschwindigkeits-Sphären eher störend finde.
Daher geniesse ich mein fast lautloses dahingleiten...
Gruß Jan P.
Insgesamt glaube ich, dass die Rückgewinnung bergab oder beim Bremsen,
eine gute Idee ist. Ich denke da aber eher an größere E-Fahrzeuge oder
E-Autos. In der "50ger"-Klasse, die hier die meisten fahren, hilft vielleicht,
(wie Alf es andeutete), eine vorrausschauende Fahrweise, um erst garnicht
viel Bremsenergie umwandeln zu müssen.
E-Roller wohl eher selten machen.
Zu der Bremswirkung einer Rekuperation, kommt jedoch immer noch eine gewisse Systembedingte
Geräuschkulisse hinzu, die ich in unseren ruhigen Geschwindigkeits-Sphären eher störend finde.
Daher geniesse ich mein fast lautloses dahingleiten...
Gruß Jan P.
Zuletzt geändert von Jan P. am Di 24. Jul 2018, 19:20, insgesamt 3-mal geändert.
1. NIU N-Pro / 3.2019 Km Stand : ca. 12 000 Km (Juni 2025).
2. Renault ZOE R110 Limited / 2.2019 Km Stand : 48000 Km (Juni. 2025).
3. Kreidler Pedelec 2.2011 und Klapp E-Rad Bromton 6.2020.
Motto : "Der Weg ist (auch) das Ziel..."
2. Renault ZOE R110 Limited / 2.2019 Km Stand : 48000 Km (Juni. 2025).
3. Kreidler Pedelec 2.2011 und Klapp E-Rad Bromton 6.2020.
Motto : "Der Weg ist (auch) das Ziel..."
-
chrispiac
- Beiträge: 3438
- Registriert: So 23. Jul 2017, 18:15
- Roller: NIU N1S (2017), Trinity Jupiter 11 (2017), NIU N-GT (2019)
- PLZ: 520xx
- Wohnort: Aachen
- Kontaktdaten:
Re: Rekuperation
Autsch! Nee, richtig, es betrifft ja „nur“ die Rekuperation, die dann nicht greift (die mechanischen Bremsen bleiben ja erhalten) - kleiner Gedankenfehler von mir.
Na ja, fraglich ist, ob Dir zur Zeit eine deutsche Tanke bei Rundrum-LED Licht bei einem Elektroroller zur Zeit wirklich weiterhelfen kann? Allerdings hat der Abschleppdienst dann einen guten Fixpunkt, den er anfahren kann…