Eigenbau Mini Käfer 36V 500 watt
- MEroller
- Moderator
- Beiträge: 19410
- Registriert: Mo 1. Nov 2010, 22:37
- Roller: Zero S 11kW ZF10.5/erider Thunder (R.I.P)
- PLZ: 7
- Tätigkeit: Entwickler (Traktionsbatterie)
- Kontaktdaten:
Re: Eigenbau Mini Käfer 36V 500 watt
Programmieren kann man auch direkt am Gerät, da braucht es keinen Laptop dazu. Wenn Dein Käfer unter 45A Batteriestrom zieht reicht der Standalone CA.
Zero S 11kWZF10.5
e-rider Thunder 5000: Ruht in Frieden
e-rider Thunder 5000: Ruht in Frieden
-
samotorsport
- Beiträge: 21
- Registriert: Fr 7. Dez 2018, 10:51
- Roller: Eigenbau
- PLZ: 7322
- Land: anderes Land
- Kontaktdaten:
Re: Eigenbau Mini Käfer 36V 500 watt
Ja die Akkus sind „multipower 22ah“ 3x12v in Reihe Geschaltet. Der Motor zieht maximal 17 Ampère . Reicht also locker. Dann müsste ich die stand alone ca dps (nicht den CA3) und den shunt zusätzlich bestellen wenn ich das richtig sehe ?
Der Sensor ist ja dabei um die Raddrehzahl zu messen
Der Sensor ist ja dabei um die Raddrehzahl zu messen
- MEroller
- Moderator
- Beiträge: 19410
- Registriert: Mo 1. Nov 2010, 22:37
- Roller: Zero S 11kW ZF10.5/erider Thunder (R.I.P)
- PLZ: 7
- Tätigkeit: Entwickler (Traktionsbatterie)
- Kontaktdaten:
Re: Eigenbau Mini Käfer 36V 500 watt
Auch der Shunt ist dabei beim Standalone. Es ist genau der aus meinem Link:
https://www.ebikes.ca/shop/electric-bic ... ca-sa.html
Einzige Option ist V2.4 (reicht aus für Deinen Zweck) oder CA3, und ob Du optional die Anderson Powerpole Verbinder am Shunt dranhaben willst, oder ob Du das selber löten, Quetschen oder per eigenem Stecker verbinden willst mit dem Batterie-Minuspol.
Wichtig! Die Doku gut studieren, um die für Dich wichtigsten Bereiche voll zu durchblicken, speziell was die korrekten Verbindungen und Reihenfolgen angeht, und dann welche Programmierschritte wichtig für Deinen Einsatzzweck sind. Nur dann kannst Du den optimalen Nutzen aus dem System holen.
https://www.ebikes.ca/shop/electric-bic ... ca-sa.html
Einzige Option ist V2.4 (reicht aus für Deinen Zweck) oder CA3, und ob Du optional die Anderson Powerpole Verbinder am Shunt dranhaben willst, oder ob Du das selber löten, Quetschen oder per eigenem Stecker verbinden willst mit dem Batterie-Minuspol.
Wichtig! Die Doku gut studieren, um die für Dich wichtigsten Bereiche voll zu durchblicken, speziell was die korrekten Verbindungen und Reihenfolgen angeht, und dann welche Programmierschritte wichtig für Deinen Einsatzzweck sind. Nur dann kannst Du den optimalen Nutzen aus dem System holen.
Zero S 11kWZF10.5
e-rider Thunder 5000: Ruht in Frieden
e-rider Thunder 5000: Ruht in Frieden
-
samotorsport
- Beiträge: 21
- Registriert: Fr 7. Dez 2018, 10:51
- Roller: Eigenbau
- PLZ: 7322
- Land: anderes Land
- Kontaktdaten:
Re: Eigenbau Mini Käfer 36V 500 watt
Ok danke dir !!!!
Noch ne Frage , wenn ich das ganze jetzt an 36 V anschliesse , und den Käfer per Notaus ausschalte , sind dann alle Einstellungen verloren ?
Oder muss die Einheit immer an den 36 V hängen um die Einstellungen zu behalten ?
Noch ne Frage , wenn ich das ganze jetzt an 36 V anschliesse , und den Käfer per Notaus ausschalte , sind dann alle Einstellungen verloren ?
Oder muss die Einheit immer an den 36 V hängen um die Einstellungen zu behalten ?
- Harry
- Beiträge: 2140
- Registriert: Di 21. Jun 2011, 21:08
- Roller: Citycoco LM-SC14 / Shansu e-Trike CP-7
- PLZ: 49479
- Wohnort: Ibbenbüren
- Kontaktdaten:
Re: Eigenbau Mini Käfer 36V 500 watt
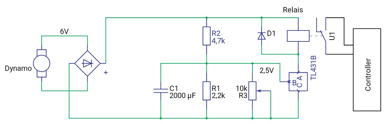
Der Cycle Analyst ist schon die Luxusvariante für eine Drehzahlbegenzung.
Die Lösung mit dem Fahrraddynamo kostet nur ein paar Euro, da ist das Porto teurer als die Bauteile.
Die genaue Berechnung kann ich erst machen, wenn du die Spannung des Dynamos bei der Endgeschwindigkeit misst.
Die Lösung mit dem Fahrraddynamo kostet nur ein paar Euro, da ist das Porto teurer als die Bauteile.
Die genaue Berechnung kann ich erst machen, wenn du die Spannung des Dynamos bei der Endgeschwindigkeit misst.
Gruß Harry
- MEroller
- Moderator
- Beiträge: 19410
- Registriert: Mo 1. Nov 2010, 22:37
- Roller: Zero S 11kW ZF10.5/erider Thunder (R.I.P)
- PLZ: 7
- Tätigkeit: Entwickler (Traktionsbatterie)
- Kontaktdaten:
Re: Eigenbau Mini Käfer 36V 500 watt
Nein. Wenn der CA von der Batteriespannung getrennt wird fährt er kontrolliert herunter, speichert seine aktuellen Werte und schaltet dann erst ab.samotorsport hat geschrieben: ↑Fr 14. Dez 2018, 16:43Noch ne Frage , wenn ich das ganze jetzt an 36 V anschliesse , und den Käfer per Notaus ausschalte , sind dann alle Einstellungen verloren ?
Oder muss die Einheit immer an den 36 V hängen um die Einstellungen zu behalten ?
Und Harry, für einen in elektronischen Dingen versierten Bastler ist Deine Lösung sicher die reizvollere, aber ich habe den Eindruck, dass samotorsport mehr an einer pragmatischen Lösung seines Problem interessiert ist, um sich mehr dem eigentlichen Umbau widmen zu können. Klar ist der CA ziemliches Overkill, nur um die Geschwindigkeit einzubremsen, aber er bietet eben diese Möglichkeit direkt "out of the box", aus der Schachtel raus, mit nur minimalem Bastelaufwand gegenüber einer selbst aufzubauenden Schaltung.
Aber diese Entscheidung können wir natürlich getrost dem Themenstarter überlassen
Zero S 11kWZF10.5
e-rider Thunder 5000: Ruht in Frieden
e-rider Thunder 5000: Ruht in Frieden
-
samotorsport
- Beiträge: 21
- Registriert: Fr 7. Dez 2018, 10:51
- Roller: Eigenbau
- PLZ: 7322
- Land: anderes Land
- Kontaktdaten:
Re: Eigenbau Mini Käfer 36V 500 watt
Haha kennst du mich schon länger ? 
Die Dynamo Idee gefällt mir , aber ich hab noch so viel zu tun dass eine Out of the Box idee besser ist
Ausserdem passt das Display zur Dragster Idee , und gefällt dem Jungen Mann bestimt
Ist ja zu seinem 3 Geburtstag
Ich glaube ich werd wohl solch einen Controller bestellen.
Den Speed Sensor an s Vorderrad , dann kann er auch nen schönen Burnout machen da er in dem Moment Vollgas durchlässt
Die Dynamo Idee gefällt mir , aber ich hab noch so viel zu tun dass eine Out of the Box idee besser ist
Ausserdem passt das Display zur Dragster Idee , und gefällt dem Jungen Mann bestimt
Ist ja zu seinem 3 Geburtstag
Ich glaube ich werd wohl solch einen Controller bestellen.
Den Speed Sensor an s Vorderrad , dann kann er auch nen schönen Burnout machen da er in dem Moment Vollgas durchlässt
-
samotorsport
- Beiträge: 21
- Registriert: Fr 7. Dez 2018, 10:51
- Roller: Eigenbau
- PLZ: 7322
- Land: anderes Land
- Kontaktdaten:
Re: Eigenbau Mini Käfer 36V 500 watt
So , der CA SA ist bestellt
Ich bin gespannt
Hab mir das USB Kanel gleich mit bestellt , dann habe ich beide Möglichkeiten zum einstellen
Ich bin gespannt
- MEroller
- Moderator
- Beiträge: 19410
- Registriert: Mo 1. Nov 2010, 22:37
- Roller: Zero S 11kW ZF10.5/erider Thunder (R.I.P)
- PLZ: 7
- Tätigkeit: Entwickler (Traktionsbatterie)
- Kontaktdaten:
Re: Eigenbau Mini Käfer 36V 500 watt
Wenn der Weihnachtswahnsinn in der Logistikbranche nicht dazwischenfunkt könnte der CA noch vor Weihnachten bei Dir aufschlagen. Grin gehört auch zu den fixeren Versendern.
Zero S 11kWZF10.5
e-rider Thunder 5000: Ruht in Frieden
e-rider Thunder 5000: Ruht in Frieden
-
samotorsport
- Beiträge: 21
- Registriert: Fr 7. Dez 2018, 10:51
- Roller: Eigenbau
- PLZ: 7322
- Land: anderes Land
- Kontaktdaten:
Re: Eigenbau Mini Käfer 36V 500 watt
Das wäre toll , das Chassis soll im Januar zum pulvern , dann muss ich noch an der GFK Karosse einiges umändern , und dann geht es an den Zusammenbau , für den 1 März zum Geburtstag muss er fertig sein.
Hier übrigens der Aufbau des Mini T1 für unseren ältesten, auch 36v 500 Watt
https://www.thesamba.com/vw/forum/viewt ... highlight=
Hier übrigens der Aufbau des Mini T1 für unseren ältesten, auch 36v 500 Watt
https://www.thesamba.com/vw/forum/viewt ... highlight=
Wer ist online?
Mitglieder in diesem Forum: 0 Mitglieder und 10 Gäste