Akku nachladen/unterstützen mit Pedelec-Akku???

Benutzeravatar
vsm
Administrator
Beiträge: 3043
Registriert: Mo 15. Mai 2017, 12:18
PLZ: 12
Kontaktdaten:

Re: Akku nachladen/unterstützen mit Pedelec-Akku???

Beitrag von vsm »

horst0606 hat geschrieben:
Do 2. Aug 2018, 20:00
[...]Könnte ich auch nur einen Pedelec-Akku als Spannungsquelle nehmen? Den zweiten kann ich ja dann, falls erforderlich, während der Rückfahrt laden lassen. [...]
Das geht natürlich auch, dann musst Du halt nur den Ausgangs-Strom früher begrenzen, also bei ca. 2,5 A. Bei 81 V am Ausgang und 85 % Wirkungsgrad des Wandlers belastest Du dann den einzelnen Akku mit maximal 233 W.
horst0606 hat geschrieben:
Do 2. Aug 2018, 20:00
[...]Ich habe keine Ahnung, wie ich die Spannung mit einem Leistungswiderstand angleichen soll. [...]
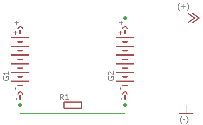
Wenn Du zwei Akku-Packs parallel betreiben möchtest, würdest Du ja Plus mit Plus und Minus mit Minus verbinden. Wenn jetzt einer der beiden Akkus einen höheren Spannungswert als der andere hat, versucht dieser den anderen zu laden, also die Spannung anzugleichen. Da der dabei fließende Strom nur durch den Innenwiderstand der Akkus begrenzt würde (und das evtl. zu viel für das BMS ist), muss er mit jenem Leistungswiderstand begrenzt werden:
Ladungsausgleich.png
Wenn über dem Widerstand keine Spannung mehr abfällt (links und rechts vom Widerstand messen), kannst Du ihn überbrücken
Ladungsausgleich-Überbrückt.png
und schließlich entfernen
Ladungsausgleich-Fertig.png
Je höher der Widerstandswert, desto geringer ist der Strom, der fließt. I=Udiff/R. Bei 10 V Spannungsdifferenz und einem 100 Ohm Widerstand wird der Strom also auf 0,1 A begrenzt und der Widerstand muss maximal 1 W verheizen. Bei einem 10 Ohm Widerstand wären es maximal 1 A und 10 W am Widerstand bei gleicher Spannungsdifferenz. Je kleiner der Strom desto länger dauert natürlich das Angleichen.

So sieht ein entsprechender Leistungswiderstand aus.

Benutzeravatar
horst0606
Beiträge: 93
Registriert: Di 24. Jul 2018, 08:00
Roller: Nova Motors SLI5, Xiaomi mi4, Yuba E500, Kona E0
PLZ: 53
Kontaktdaten:

Re: Akku nachladen/unterstützen mit Pedelec-Akku???

Beitrag von horst0606 »

@vsm
Herzlichen Dank für die vielen Infos:-)
Den Leisungswiderstand werde ich mir mal bestellen. Mit der guten Erklärung von Dir, werde ich das schaffen :)
Nova Motors SLI5, Xiaomi mi4, Yuba E5000, Kona E

Benutzeravatar
horst0606
Beiträge: 93
Registriert: Di 24. Jul 2018, 08:00
Roller: Nova Motors SLI5, Xiaomi mi4, Yuba E500, Kona E0
PLZ: 53
Kontaktdaten:

Re: Akku nachladen/unterstützen mit Pedelec-Akku???

Beitrag von horst0606 »

Nächster Test
Gestern das Ladekabel gebastelt.
StepUp-Modul so eingestellt, dass aus dem Pedelec-Akku 190 Watt gezogen werden.
Batterieschutz auf ca. 33 Volt eingestellt, die Ladeleistung wird vor dem Erreichen der 33 Volt immer weiter reduziert.
Es wird also nicht schlagartig abgeschaltet.
Habe auch eine kurze Probefahrt mit angehängtem Pedelec-Akku (also während dem Laden) gemacht.
Keine Probleme festgestellt. Jetzt muss ich nur noch eine passende Verkleidung für das Modul finden.

An dem Modul ist ein kleiner Steckplatz - wahrscheinlich für einen Lüfteranschluss - habe ich schon mal auf einem Foto gesehen.
Wenn ich da das Messgerät dran hänge, wird bei DC nichts angezeigt. Bei AC werden knapp 6 Volt angezeigt, und dass auch, wenn ich nur an einem Pol messe???? :? Den zweiten Messfühler an die Haut - Voltzahl steigt auf über 60 an??? :roll:
Was ist das? Welchen Lüfter könnte ich hier anschließen?
Nova Motors SLI5, Xiaomi mi4, Yuba E5000, Kona E

Benutzeravatar
gge
Beiträge: 184
Registriert: Mo 23. Jul 2012, 14:05
Roller: E-Fun X-Treme, CMOTO QS 310
PLZ: 79258
Wohnort: 79258 Hartheim am Rhein
Tätigkeit: Programmierer
Kontaktdaten:

Re: Akku nachladen/unterstützen mit Pedelec-Akku???

Beitrag von gge »

Hallo

welchen Anschluss meinst du denn? Den weissen Stecker an Vin?
Die Versionen mit Lüfter haben in der Regel ein etwas anderes Design als der den du hast. Am Anschluss
steht Fan und es handelt sich um einen 12V Lüfter. Aber Vorsicht es gibt davon noch einige andere Ausführung. Sehen zwar alle
ähnlich aus sind aber nicht identisch!

https://www.aliexpress.com/item/1200W-2 ... autifyAB=0

Ansonsten könnte der Lüfteranschluss PWM geregelt sein. Mal messen wenn
der Wandler wärmer wird.

Ansonsten funktioniert das mit dem 'Nachladen/Zuladen' einwandfrei. Ich mache das bereits seit 4 Jahren!

Gruss gge
Cemoto QS-310C 3 KW/54,4 (V 48 Volt Blei (30AH)/ 6,4 Volt LiFePo4 (40 AH), Range Extender 26 + X AH Lipo) 4F/65V Ultracaps , 1 Satz Akku 10100 km, aktuell 14950 km, 2.Satz Akkus E-Fun X-Treme 5 KW Blei 12.000 km 2. Satz Akkus

Benutzeravatar
horst0606
Beiträge: 93
Registriert: Di 24. Jul 2018, 08:00
Roller: Nova Motors SLI5, Xiaomi mi4, Yuba E500, Kona E0
PLZ: 53
Kontaktdaten:

Re: Akku nachladen/unterstützen mit Pedelec-Akku???

Beitrag von horst0606 »

@gge
Danke:-)
Hier ist meiner:
https://www.amazon.de/gp/product/B06XGY ... UTF8&psc=1

auf der Seite des Kühlkörpers ist neben dem Kühlkörper eine weiße Buchse, da habe ich bei einem anderen Angebot einen Lüfteranschluss gesehen.
Die Buchse ist auf den Bildern zu sehen.

Temperaturgesteuert: gute Idee, dass könnte natürlich sein - werde ich testen.
VG
Horst
Nova Motors SLI5, Xiaomi mi4, Yuba E5000, Kona E

Benutzeravatar
horst0606
Beiträge: 93
Registriert: Di 24. Jul 2018, 08:00
Roller: Nova Motors SLI5, Xiaomi mi4, Yuba E500, Kona E0
PLZ: 53
Kontaktdaten:

Re: Akku nachladen/unterstützen mit Pedelec-Akku???

Beitrag von horst0606 »

Nächster Test
Leider ist es beim Lüfter nicht die Temperatursteuerung :( Konnte auch nach Belastung keine Spannung messen.

Bin heute mit angehängtem Pedelec-Akku (also mit Ladung unterwegs) 14 Km mit kleinen Pausen gefahren
Da ich den Lüfter nicht ans Laufen bekommen habe, war es dem Step-Up-Modul ziemlich warm....

Während der Fahrt wurden dem Pedelec-Akku mit rund 200 Watt 130 Wh entnommen, wie viel davon
nun tatsächlich im Fahrzeug-Akku gelandet sind: ??? kein Messgerät.

Werde nach her mal überprüfen, wie viel weniger mit dem Ladegerät geladen worden ist, ergänze ich dann hier.
Ergänzung: Umgerechneter Durchschnittsverbrauch normal 3,8 Kw/100 Km - jetzt 3,1 Kw/100 Km macht also rd. 18 % weniger "Verbrauch"


Reichweite01-14Km-Fahrt.jpg
und dann ohne Last (nach ein paar weiteren Minuten)
Reichweite02-14Km-Fahrt.jpg
Zuletzt geändert von horst0606 am Mi 8. Aug 2018, 21:41, insgesamt 1-mal geändert.
Nova Motors SLI5, Xiaomi mi4, Yuba E5000, Kona E

Benutzeravatar
vsm
Administrator
Beiträge: 3043
Registriert: Mo 15. Mai 2017, 12:18
PLZ: 12
Kontaktdaten:

Re: Akku nachladen/unterstützen mit Pedelec-Akku???

Beitrag von vsm »

horst0606 hat geschrieben:
Mi 8. Aug 2018, 19:10
[...]Leider ist es beim Lüfter nicht die Temperatursteuerung :( Konnte auch nach Belastung keine Spannung messen. [...]
Wie hast Du denn gemessen? Bei Deinem 0815-Multimeter musst Du wahrscheinlich trotzdem wieder AC messen... ;)

Benutzeravatar
horst0606
Beiträge: 93
Registriert: Di 24. Jul 2018, 08:00
Roller: Nova Motors SLI5, Xiaomi mi4, Yuba E500, Kona E0
PLZ: 53
Kontaktdaten:

Re: Akku nachladen/unterstützen mit Pedelec-Akku???

Beitrag von horst0606 »

Hallo,
habe sowohl DC als auch AC gemessen bei beiden so gut wie nichts - habe auch mal kurz den Lüfter dran gehalten - keine Reaktion.
Evtl. muss das Ding ja kochen bevor der Lüfter an geht;-)
Nova Motors SLI5, Xiaomi mi4, Yuba E5000, Kona E

Benutzeravatar
horst0606
Beiträge: 93
Registriert: Di 24. Jul 2018, 08:00
Roller: Nova Motors SLI5, Xiaomi mi4, Yuba E500, Kona E0
PLZ: 53
Kontaktdaten:

Re: Akku nachladen/unterstützen mit Pedelec-Akku???

Beitrag von horst0606 »

Habe mir die 12 Volt für den Lüfter am Anschluss für die Kennzeichenbeleuchtung geholt - so funktioniert die Kühlung zumindest während der Fahrt:
viewtopic.php?f=45&t=6596&p=98365#p98365
Nova Motors SLI5, Xiaomi mi4, Yuba E5000, Kona E

marc71xxx
Beiträge: 26
Registriert: So 27. Mai 2018, 12:36
Roller: Nova Motors E-F10/eEVE Peugeot Scoot'elec
PLZ: 71686
Kontaktdaten:

Re: Akku nachladen/unterstützen mit Pedelec-Akku???

Beitrag von marc71xxx »

horst0606 hat geschrieben:
Di 7. Aug 2018, 19:38
@gge
Danke:-)
Hier ist meiner:
https://www.amazon.de/gp/product/B06XGY ... UTF8&psc=1

auf der Seite des Kühlkörpers ist neben dem Kühlkörper eine weiße Buchse, da habe ich bei einem anderen Angebot einen Lüfteranschluss gesehen.
Die Buchse ist auf den Bildern zu sehen.

Temperaturgesteuert: gute Idee, dass könnte natürlich sein - werde ich testen.
VG
Horst
Hallo Horst,
ich denke man kann auf den Bildern (3. Bild) deutlich erkennen, daß die Buchse einfach direkt min Vin +/- verbunden ist.
Also solltest Du eigentlich die Spannung an Deinem Pedelec Akku messen.
Nachdem der Wandler keine galvanische Trennung zwischen Ein und Ausgang hat, wirst Du möglicherweise auch seltsame Potentialverschiebungen messen können.

Antworten

Zurück zu „Blei Akkus“

Wer ist online?

Mitglieder in diesem Forum: 0 Mitglieder und 8 Gäste