Sabvoton ML Controller

Für alles was mit Steuergeräten und Motoren zu tun hat. Bitte eventuell auch im speziellen Forum eures Rollertyps suchen.
Antworten
Jack64
Beiträge: 8
Registriert: Mo 28. Mär 2022, 19:15
Roller: Rockbike F1
PLZ: 79400
Kontaktdaten:

Sabvoton ML Controller

Beitrag von Jack64 »

Hallo vielleicht kann mir jemand helfen. Ich habe diesen Controller (Sabvoton ?) mit dem KKC48V2000W Hinterrad.
Batterie hat 50V und ist relativ vollgeladen.
Leider bekomme ich das nicht zum laufen.
Das rote Licht blinkt ständig, ob das ok ist?
Der mitgelieferte Gas Griff hat einen drei Stufenschalter.
Ich habe mal ein Bilder geschossen.
Dateianhänge
IMG_3353.JPG
IMG_3355.JPG
IMG_3357.JPG
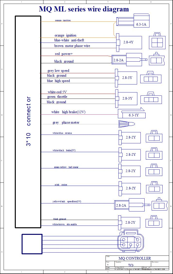
Diagramm_ML.jpg

Benutzeravatar
didithekid
Beiträge: 7019
Registriert: So 6. Mai 2018, 06:15
Roller: div. L3e-Roller (80-97 km/h), ZERO SR/F
PLZ: 53757
Wohnort: Sankt Augustin - Menden
Tätigkeit: Ingenieur im Staatsdienst
Kontaktdaten:

Re: Sabvoton ML Controller

Beitrag von didithekid »

Hallo,

bisheriger oder ein neu gekaufter Controller?
Um welches Modell geht es ML 7245S?
Was genau läuft denn nicht? Hast Du versucht per USB zugriff zu bekommen? (oder die nicht programmierbare Version?)
Hast Du den Motor direkt (ohne vorherige Konfiguration des Controllers) angeschlossen?
Kennst Du die Werksvoreinstellungen?


Wenn die LED mal kürzer und mal länger Blinkt, gibt das Gerät ggf. den Fehlerstatus aus.
So ist es zumindest bei den großen Sabvoton-Controllern (Mit Felercode in deren Anleitung).

Angeschlossen muss sein:
BAT +
Bat-
Phase Gelb
Phase Grün
Phase Blau
Hallstecker rot Schwarz Gelb Grün Blau
Hall-Gasgriff mit rot schwarz signal
Ignition an Bat+ zum Einschalten (ON) des Controllers.

der Hall-Gas-Griff muss bei ON in Ruhestellung sein.

Gibt es eine Unterschied beim Drehen des Rades mit der Hand, wenn der Controller an ist und gas gegeben wird?

Viele Grüße
Didi
__________________________________________________________________________________________________________________________Thunder-Fury100/ MASINI Sportivo S (2010, 2011, 2012) 5kW, Innoscooter EM6000L 5kW (2011), ZERO SR/F 17.3 (2023)

Jack64
Beiträge: 8
Registriert: Mo 28. Mär 2022, 19:15
Roller: Rockbike F1
PLZ: 79400
Kontaktdaten:

Re: Sabvoton ML Controller

Beitrag von Jack64 »

Hallo,
der Controller ist neu und war beim Rad dabei. Leider ohne Anleitung.
Typische China bestellt !!
Ich vermute es ist die nicht programmierbaren Version , einen USB oder Kabelanschluss sehe ich nicht.
Die Kabel wie du beschrieben hast, habe ich soweit gesetzt.
Am Gasgriff sind zwei 3er Stecker blau gelb grün und weiß schwarz rot. Am Griff ist ein 1-2-3 Schalter.
Beim Hallstecker sind die Farben gegenüber nicht identisch?
Erst wenn ich Batterie + in den ignition verbinde fängt die LED schnell zu blinken.
Am Rad kann ich keine Reaktion beim drehen erkennen.

Jack64
Beiträge: 8
Registriert: Mo 28. Mär 2022, 19:15
Roller: Rockbike F1
PLZ: 79400
Kontaktdaten:

Re: Sabvoton ML Controller

Beitrag von Jack64 »

Mit dem Typenschild habe ich nichts gefunden,
vermute es ist der ML 7245

Gruß Jack
Dateianhänge
IMG_3359.jpg

Benutzeravatar
didithekid
Beiträge: 7019
Registriert: So 6. Mai 2018, 06:15
Roller: div. L3e-Roller (80-97 km/h), ZERO SR/F
PLZ: 53757
Wohnort: Sankt Augustin - Menden
Tätigkeit: Ingenieur im Staatsdienst
Kontaktdaten:

Re: Sabvoton ML Controller

Beitrag von didithekid »

Hallo,

der Controller ist fest auf 48 Volt eingestellt und mit 42Volt abschaltspannung.
Wenn es ein ML wäre dann ML4845.
Scheint in etwa dieses Gerät zu sein, aber in der 48V-Ausführung:
https://de.aliexpress.com/item/10050033 ... mainSearch

Schau mal nach, ob unter der Gummikappe neben dem Aufkleber nicht doch ein Programmierzugang ist.

Wenn tatsächlich nichts programmiert werden kann und korrekt 50 Volt anliegen, sind vermutlich die Hall-Leitungen zum Motor nicht korrekt verbunden und die LEDs blinken für Hall-Fault.
Ignition an Batterie-Plus schaltet den Controller ein - das Funktioniert! alles OK.
Hall-Gas-Griff: Dort kann rot schwarz weiss eigentlich nur die Verbindung zum Drehgriff (Handle Bar) sein. Den 1,2,3-Stufen-Schalter würde ich zunächst nicht anschließen. Ist ja egal ob Fahrstufe 1-2 oder 3. Erstmal muss der Motor drehen.
Wenn die Farben auf dem Schaubild stimmen müssten dort Gas-Griff rot an Weiss/Rot; Gasgriff-Weiss an Grün und Gasgriff-Schwarz an Schwarz/GND.
Das mit den Hallkabeln ist misteriös.
Vom Motor sollten Hallkabel Gelb Grün Blau Schwarz Rot kommen. Warum da am Gas.Griff-3-Gang-Schalter Blau Grün Gelb trotz Verwechselungsgefahr verwendet wird, verstehe ich nicht.
Auf jeden Fall müssen die gelb blau grünen Kabel, die vom Motor kommen, an die Hall-Schalter eingänge des Controllers, die im fünffach belegten Sechsfach-Stecker liegen. auch da sollten zusätzlich rot und schwarz dabei sein.
Es kann eventuell sein, dass die Farbreihenfolge vom Motor nicht die vom Controller ist (aber zunächst farbtreu ausprobieren). Ggf. muss man da durchprobieren was läuft. Schwarz und Rot müssen immer frarbgleich verbunden werden. Es mag aber sein, dass der Motor erst dreht, wenn im Hall-Stecker grün/gelb oder grün/blau getauscht werden und das man beim Probieren eine Kombination findet, wo der Motor falsch herum läuft. Wäre besser, als gar kein Lauf, da man dann ein Phasekabel tauschen kann und eine Vorwärts-Lauf-Stellung neu suchen kann. Wenn noch Probleme sind, mach mal ein Foto von den Kabeln Controller / Griff und Motor
Viel Erfolg


Viele Grüße
Didi
Zuletzt geändert von didithekid am So 3. Apr 2022, 00:50, insgesamt 1-mal geändert.
__________________________________________________________________________________________________________________________Thunder-Fury100/ MASINI Sportivo S (2010, 2011, 2012) 5kW, Innoscooter EM6000L 5kW (2011), ZERO SR/F 17.3 (2023)

Jack64
Beiträge: 8
Registriert: Mo 28. Mär 2022, 19:15
Roller: Rockbike F1
PLZ: 79400
Kontaktdaten:

Re: Sabvoton ML Controller

Beitrag von Jack64 »

Hinterrad läuft, super vielen Dank für deine Hilfe.
Hall Kabel gelb an blau, grün an grün und gelb an blau.
Gasgriff Kabel schwarz an schwarz, weiss an grün und rot an weiss/rot.
1-2-3 Stufenschalter blau an blau, gelb an schwarz und grün an grau.-
Alles geht jetzt bestens, und die Laufrichtung stimmt.

Gruß Jack

Antworten

Zurück zu „Steuergeräte / Controller / Motoren“

Wer ist online?

Mitglieder in diesem Forum: 0 Mitglieder und 13 Gäste