GSX-R e899 K2

Antworten
Rov
Beiträge: 725
Registriert: Mo 13. Feb 2017, 08:48
Roller: GSX-R e899 K2
PLZ: 96114
Kontaktdaten:

Re: GSXR 1000 K2 Notlösung

Beitrag von Rov »

Wäre noch eine Möglichkeit ;)

Habe den Tank schon mal weggebaut und den alten Regler (9kg) rausgeschmissen.
Jetzt bastle ich mir noch ein neues Kabel für den PC-Converter und hänge mal den Emsiso (4,9kg) provisorisch rein.
Mal schauen, ob ich eine Verbindung hinbekomme!
Dateianhänge
IMG_1219.JPG

Rov
Beiträge: 725
Registriert: Mo 13. Feb 2017, 08:48
Roller: GSX-R e899 K2
PLZ: 96114
Kontaktdaten:

Re: GSXR 1000 K2 Notlösung

Beitrag von Rov »

Gestern auch mal wieder etwas erledigt!
Habe den 35 poligen Stecker mit dem PC-Anschluss (RS232 D SUB 9 (F)) verbunden und schon mal die Treibersoftware installiert.
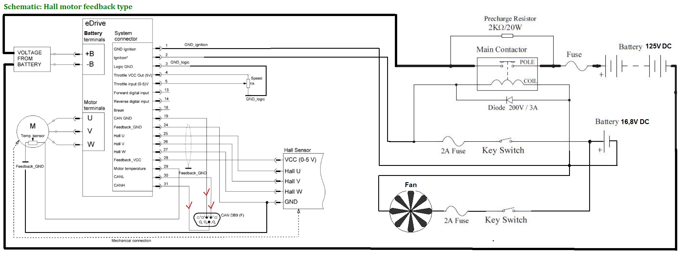
Dann habe ich mir mal den Stromlaufplan vorgenommen und an meine Bedürfnisse angepasst.
Einen Rückwärtsgang benötige ich nicht ... ist ja keine Honda Goldwing ;)

Sind eigentlich gar nicht so viele Kabel, die verbunden werden müssen ... genau so viele, wie vorher auch!
Sollte also kein Hexenwerk darstellen.
Aus privaten Gründen dauert es nun doch noch ein wenig, bevor ich weitermachen werde!
Dateianhänge
IMG_1226.JPG
Circuit_diagram_-_PC_connetion_c.jpg

Benutzeravatar
MEroller
Moderator
Beiträge: 19385
Registriert: Mo 1. Nov 2010, 22:37
Roller: Zero S 11kW ZF10.5/erider Thunder (R.I.P)
PLZ: 7
Tätigkeit: Entwickler (Traktionsbatterie)
Kontaktdaten:

Re: GSXR 1000 K2 Notlösung

Beitrag von MEroller »

Wow, hat da Emsiso einen eigenen RS232/USB Adapter mitgeschickt? Denn die Emsisos kommen nicht mit jedem Chipsatz klar in solchen Adaptern...
Zero S 11kWZF10.5
e-rider Thunder 5000: Ruht in Frieden

Rov
Beiträge: 725
Registriert: Mo 13. Feb 2017, 08:48
Roller: GSX-R e899 K2
PLZ: 96114
Kontaktdaten:

Re: GSXR 1000 K2 Notlösung

Beitrag von Rov »

Jupp, das kleine schwarze Kästchen, das nennt sich: USB to CAN interface und kostet 200€.
Das benötigt man, wenn man das Gerät parametrieren will.
Immerhin haben sie mir die 300€ für die Software erlassen!
Den Splitter für den 2. Regler habe ich ja auch schon ... es dauert aber noch ein wenig, bevor ich mir den hole!

Aber wie gesagt keine Kabel, die musste ich mir alle selber besorgen, bzw. basteln, da nicht Bestandteil der Lieferung!

Benutzeravatar
MEroller
Moderator
Beiträge: 19385
Registriert: Mo 1. Nov 2010, 22:37
Roller: Zero S 11kW ZF10.5/erider Thunder (R.I.P)
PLZ: 7
Tätigkeit: Entwickler (Traktionsbatterie)
Kontaktdaten:

Re: GSXR 1000 K2 Notlösung

Beitrag von MEroller »

Splitter für den 2. Regler ?!? Was hast du DAMIT vor? Vorn auch einen Radnabenmotor rein? Beide parallel auf den Armen Quan Shun abfeuern?
Zero S 11kWZF10.5
e-rider Thunder 5000: Ruht in Frieden

Rov
Beiträge: 725
Registriert: Mo 13. Feb 2017, 08:48
Roller: GSX-R e899 K2
PLZ: 96114
Kontaktdaten:

Re: GSXR 1000 K2 Notlösung

Beitrag von Rov »

Das funktioniert leider nicht mit dem Hall Sensor vom Motor.
Dafür benötigt man einen Sin/Cos Sensor.
Sind ja noch ein paar Tage hin aber früher oder später soll ein Emrax 268 (2x 3 Phasen) Motor rein (2020 oder so).
Der Motor ist ja leider nicht so günstig!
Dafür muß wieder eine Menge umgebaut werden!
Spezielle Halterung für den Motor, andere Schwinge und wieder auf Kette, usw!

Rein theoretisch sind dann 800Nm unter Vollast am Emrax Motor kurzzeitig möglich.
Mit ner entsprechender Übersetzung (2:1 bzw. 2,5:1) erhöht sich das dann (träum, träum, träum).

Wie gesagt, jetzt tobe ich mich die nächsten 2 Jahre erst einmal mit dem jetzigen Equipment aus ....

Benutzeravatar
MEroller
Moderator
Beiträge: 19385
Registriert: Mo 1. Nov 2010, 22:37
Roller: Zero S 11kW ZF10.5/erider Thunder (R.I.P)
PLZ: 7
Tätigkeit: Entwickler (Traktionsbatterie)
Kontaktdaten:

Re: GSXR 1000 K2 Notlösung

Beitrag von MEroller »

Mann, ist das ein Monster von Motor :o Ist das dann ein Scheibenläufer mit Stator links und rechts davon? "Axial Flux" spricht auf jeden Fall für einen solchen Scheibenläufer...

Übrigens, solange Dein Notnagel-Motor zwei Satz Hallsensoren an Bord hat müssten auch zwei Controller die drei Phasen gemeinsam bespaßen können, wobei jeder der Controller jeweils einen Hallsensor-Satz verwendet. Ein Splitter wäre dann nur für den Fahrgriff nötig.
Zero S 11kWZF10.5
e-rider Thunder 5000: Ruht in Frieden

Rov
Beiträge: 725
Registriert: Mo 13. Feb 2017, 08:48
Roller: GSX-R e899 K2
PLZ: 96114
Kontaktdaten:

Re: GSXR 1000 K2 Notlösung

Beitrag von Rov »

Der Emrax Motor ist zur Zeit auch sehr beliebt an Unis für die "Formula Student".
Wie der Motor aufgebaut ist weiß ich leider nicht, da ich mich damit noch nicht beschäftigt habe.

Ja, ein zweites Reservekabel für die Hallsensoren ist vorhanden, aber ob es Sinn macht bis zu zwei mal 800A auf ein 3x16/20mm² Kabel zu schicken bezweifel ich stark!

Ich werde das Kabel so kurz wie möglich am Motorausgang kappen und die 50mm² Leitungen so lang wie möglich machen (1,5,bis 1,8m)

Die provisorische Verkabelung ist übrigens abgeschlossen.
Nun heißt es eigentlich Akkus laden und versuchen mit dem PC online zu gehen, damit man mit der Parametrierung beginnen kann.

Ich möchte nur kurz sehen, ob sich das Rad dreht um zu schauen, ob der Regler auch wirklich funktioniert (keine Belastung)!
Da ich die Wasserkühlung noch nicht angeschlossen habe.
Das wird aber noch ein wenig dauern!
Dateianhänge
IMG_1230a.jpg

Benutzeravatar
MEroller
Moderator
Beiträge: 19385
Registriert: Mo 1. Nov 2010, 22:37
Roller: Zero S 11kW ZF10.5/erider Thunder (R.I.P)
PLZ: 7
Tätigkeit: Entwickler (Traktionsbatterie)
Kontaktdaten:

Re: GSXR 1000 K2 Notlösung

Beitrag von MEroller »

Rov hat geschrieben:
Do 12. Okt 2017, 06:58
Ja, ein zweites Reservekabel für die Hallsensoren ist vorhanden, aber ob es Sinn macht bis zu zwei mal 800A auf ein 3x16/20mm² Kabel zu schicken bezweifel ich stark!
Ich werde das Kabel so kurz wie möglich am Motorausgang kappen und die 50mm² Leitungen so lang wie möglich machen (1,5,bis 1,8m)
Da hast Du natürlich vollkommen recht. Ich wollte nur auf die prinzipielle Möglichkeit hinweisen :twisted: Und das ist gut mit der habhafteren Phasenverkablung. Aber auch diese sollte so kurz wie irgend möglich gehalten werden, auch wenn natürlich das Hinterrad weiter hinten ist als sonst üblich bei Deinem Dragster. So von wegen "so lang wie möglich machen". "So lang wie nötig" ist besser.

Der große Emsiso ist auch eine rechte Wuchtbrumme! Wahrscheinlich fast doppelt so groß wie der Lingbo VEC300 in meinem vR one war. Aber einen Platz hast Du ja gefunden, sogar noch mit Luft drumrum.
Zero S 11kWZF10.5
e-rider Thunder 5000: Ruht in Frieden

Rov
Beiträge: 725
Registriert: Mo 13. Feb 2017, 08:48
Roller: GSX-R e899 K2
PLZ: 96114
Kontaktdaten:

Re: GSXR 1000 K2 Notlösung

Beitrag von Rov »

Der ist wesentlich kleiner, wie der Kelly KLS Controller und wiegt auch nur fast die Hälfte!
Trotzdem wird es eine Herausforderung den spatter unter zu bekommen.
An dieser Stelle kommen später die Akkus, der Regler wird darunter kommen, inkl. dem ganzen Wassergepansche!
Beim Emrax Motor werden die Kabelweg auf jeden Fall wieder kürzer.
Mir gehts nur darum die Wärmeentwicklung bei fast 800A zu entschleunigen.
Emsiso gibt Kabellängen für das Motorphasenkabel von max. 2,5m an, von der Bat 1,5m.
Aber klar, je kürzer die Wege desto weniger Verluste.
Ich denke mit dem Regler könnte es das erste Mal passieren, das ich ein durchdrehendes HR hinbekomme (auf Trockener Straße wohl bemerkt).
Sollte das passieren, werde ich den Radstand verkürzen um mehr Druck auf das HR zu bekommen.

Antworten

Zurück zu „Prototypen/Neuvorstellungen“

Wer ist online?

Mitglieder in diesem Forum: 0 Mitglieder und 15 Gäste