Flackernde Lichter / Ausfall
-
Frissmich
- Beiträge: 139
- Registriert: Di 12. Jan 2021, 14:40
- Roller: LMJR Classico Li Windschild 8.2020 72V60Ah
- PLZ: 08468
- Kontaktdaten:
Re: Flackernde Lichter / Ausfall
So, hab mich heute mal auf Fehlersuche begeben.
Stecker am Wandler und Sicherung gecheckt.
Roller an gemacht, alles ging.
Nach einer Weile hat es wieder angefangen zu flackern, verbunden mit einem klackern vom Wandler.
Ich habe den Roller bewusst nicht angefasst um Erschütterungen/ Kabelbruch aus zu schließen.
Ich hab dann mal die 10A Stecksicherung gezogen und mit dem Multimeter knapp 84V und ca. 0,5A gemessen.
Sollten da nicht 12V Anliegen?
Das flackern ist dann wieder schlimmer geworden, bis zum Totalausfall der Beleuchtung.
Gibt es noch einen Fehler den man ausschließen kann?
PS: der Roller fährt auch mit abgeklemmtem Wandler, ohne Licht und Tacho ist halt doof.
Stecker am Wandler und Sicherung gecheckt.
Roller an gemacht, alles ging.
Nach einer Weile hat es wieder angefangen zu flackern, verbunden mit einem klackern vom Wandler.
Ich habe den Roller bewusst nicht angefasst um Erschütterungen/ Kabelbruch aus zu schließen.
Ich hab dann mal die 10A Stecksicherung gezogen und mit dem Multimeter knapp 84V und ca. 0,5A gemessen.
Sollten da nicht 12V Anliegen?
Das flackern ist dann wieder schlimmer geworden, bis zum Totalausfall der Beleuchtung.
Gibt es noch einen Fehler den man ausschließen kann?
PS: der Roller fährt auch mit abgeklemmtem Wandler, ohne Licht und Tacho ist halt doof.
Telegram = @Frissmich
- MEroller
- Moderator
- Beiträge: 19407
- Registriert: Mo 1. Nov 2010, 22:37
- Roller: Zero S 11kW ZF10.5/erider Thunder (R.I.P)
- PLZ: 7
- Tätigkeit: Entwickler (Traktionsbatterie)
- Kontaktdaten:
Re: Flackernde Lichter / Ausfall
Du hast offensichtlich die Primärseite gemessen, nämlich was von der (voll geladenen 72V) Batterie kommt! Da soll eine 12V Schmelzsicherung drin gewesen sein??? Da wäre ja alles verkehrt mit dem DC/DC-Wandler...
Zero S 11kWZF10.5
e-rider Thunder 5000: Ruht in Frieden
e-rider Thunder 5000: Ruht in Frieden
-
Frissmich
- Beiträge: 139
- Registriert: Di 12. Jan 2021, 14:40
- Roller: LMJR Classico Li Windschild 8.2020 72V60Ah
- PLZ: 08468
- Kontaktdaten:
Re: Flackernde Lichter / Ausfall
Also wenn ich nach den Farben der Kabel gehe, sitzt die 12v Schmelzsicherung am COM Ausgang des Wandlers.
Wenn ich diese Sicherung ziehe, geht wirklich gar nichts mehr inkl. Antrieb.
Telegram = @Frissmich
- Prinz_von_Sinnen
- Beiträge: 1358
- Registriert: So 21. Feb 2021, 11:45
- Roller: Futura Hawk 2.0
- PLZ: 32312
- Kontaktdaten:
Re: Flackernde Lichter / Ausfall
Vielleicht hilft das ja
Suup wat kloar is,
segg wat woar is,
frie wat dor is
segg wat woar is,
frie wat dor is
-
Peter51
- Beiträge: 6502
- Registriert: Sa 6. Aug 2011, 10:04
- Roller: E-Max 90s, E-Max 110s, E-Max 120s
- PLZ: 2
- Kontaktdaten:
Re: Flackernde Lichter / Ausfall
Ungewöhnlich ist die Farbbelegung des Transverters (DC DC Wandler). Yellow = 72V Black = Masse und Redblack = 12V
Normalerweise ist rot = 72V und gelb = 12V.
Normalerweise ist rot = 72V und gelb = 12V.
E-Max 90s von 2012 - Vmax>46km/h - km-Stand >5150 - 16x Littokala 51,2V 105Ah = 5kWh. JK-B1A24S15P - Sevcon Gen4
E-Max 110s von 2010 - Vmax>50km/h - km-Stand >1.800 - 4x Littokala 72V 50Ah = 14,4kWh
E-Max 120s von 2015 - Vmax 80km/h - TÜV 03.2026 - 72V100Ah LFP-Akku - JK-B2A24S15P Balancer BT - MQ Controller BT
E-Max 110s von 2010 - Vmax>50km/h - km-Stand >1.800 - 4x Littokala 72V 50Ah = 14,4kWh
E-Max 120s von 2015 - Vmax 80km/h - TÜV 03.2026 - 72V100Ah LFP-Akku - JK-B2A24S15P Balancer BT - MQ Controller BT
-
Frissmich
- Beiträge: 139
- Registriert: Di 12. Jan 2021, 14:40
- Roller: LMJR Classico Li Windschild 8.2020 72V60Ah
- PLZ: 08468
- Kontaktdaten:
Re: Flackernde Lichter / Ausfall
Tja, keine Ahnung.
Das Gelbe kabel sollte eigentlich 12V max 10A sein, dann macht auch die 12V 10A Stecksicherung Sinn.
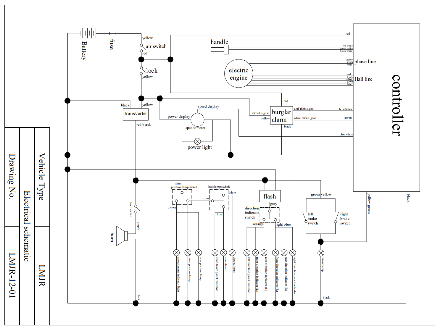
Der Schaltplan scheint nicht ganz aktuell zu sein.
Von meinem Wandler gehen 4 Kabel weg, in der Zeichnung sind es nur 3.
Die 12V Sicherung ist gar nicht erst eingezeichnet.
Ich geh jetzt davon aus das der Wandler einen weg hat, weshalb auch an der 12V Sicherung 84V ankommen.
Kaputt ist sie nicht, es kommen auch nur 0,5A an.
Hab mir jetzt einen Wandler mit etwas mehr Bums bestellt, soll diese Woche noch kommen.
Ich wäre trotzdem für einen detailierteren Schaltplan dankbar falls jemand einen hat.
Das Gelbe kabel sollte eigentlich 12V max 10A sein, dann macht auch die 12V 10A Stecksicherung Sinn.
Der Schaltplan scheint nicht ganz aktuell zu sein.
Von meinem Wandler gehen 4 Kabel weg, in der Zeichnung sind es nur 3.
Die 12V Sicherung ist gar nicht erst eingezeichnet.
Ich geh jetzt davon aus das der Wandler einen weg hat, weshalb auch an der 12V Sicherung 84V ankommen.
Kaputt ist sie nicht, es kommen auch nur 0,5A an.
Hab mir jetzt einen Wandler mit etwas mehr Bums bestellt, soll diese Woche noch kommen.
Ich wäre trotzdem für einen detailierteren Schaltplan dankbar falls jemand einen hat.
Telegram = @Frissmich
- MEroller
- Moderator
- Beiträge: 19407
- Registriert: Mo 1. Nov 2010, 22:37
- Roller: Zero S 11kW ZF10.5/erider Thunder (R.I.P)
- PLZ: 7
- Tätigkeit: Entwickler (Traktionsbatterie)
- Kontaktdaten:
Re: Flackernde Lichter / Ausfall
Mit vier Anschlüssen gibt es entweder galvanische Trennung zwischen HV und LV, sprich Batterie und 12V haben jeweils ihr eigenes Minus, oder es ist ein zusätzlicher Schaltanschluss, mit dem der Schlüsselschalter Batteriespannung draufschaltet, so dass da nur wenig Strom fließt und die Schaltkontakte nicht verbrennen.
Jedoch nie und NIMMER darf über eine gezogene 12V Sicherung volle Batteriespannung anliegen! Die Sicherung muss im 12V Plus Ausgang sitzen. logischerweise
Jedoch nie und NIMMER darf über eine gezogene 12V Sicherung volle Batteriespannung anliegen! Die Sicherung muss im 12V Plus Ausgang sitzen. logischerweise
Zero S 11kWZF10.5
e-rider Thunder 5000: Ruht in Frieden
e-rider Thunder 5000: Ruht in Frieden
-
Frissmich
- Beiträge: 139
- Registriert: Di 12. Jan 2021, 14:40
- Roller: LMJR Classico Li Windschild 8.2020 72V60Ah
- PLZ: 08468
- Kontaktdaten:
Re: Flackernde Lichter / Ausfall
Hab nochmals geschaut.MEroller hat geschrieben: ↑Di 15. Mär 2022, 09:17Mit vier Anschlüssen gibt es entweder galvanische Trennung zwischen HV und LV, sprich Batterie und 12V haben jeweils ihr eigenes Minus, oder es ist ein zusätzlicher Schaltanschluss, mit dem der Schlüsselschalter Batteriespannung draufschaltet, so dass da nur wenig Strom fließt und die Schaltkontakte nicht verbrennen.
Jedoch nie und NIMMER darf über eine gezogene 12V Sicherung volle Batteriespannung anliegen! Die Sicherung muss im 12V Plus Ausgang sitzen. logischerweise
Die Sicherung sitzt am 12v Ausgang, nicht am COM Ausgang.
Die Beschriftung ist auf der gegenüber liegenden Seite des Wandlers, deshalb habe ich das verwechselt.
Ich denke was im Wandler irgendwo was verschmolzen ist, weshalb die Batteriespannung bis zur 12v Sicherung kommt.
Leider ist der Wandler vergossen.
Öffnen würde ihn dann auf jeden Fall zerstören.
Telegram = @Frissmich
- MEroller
- Moderator
- Beiträge: 19407
- Registriert: Mo 1. Nov 2010, 22:37
- Roller: Zero S 11kW ZF10.5/erider Thunder (R.I.P)
- PLZ: 7
- Tätigkeit: Entwickler (Traktionsbatterie)
- Kontaktdaten:
Re: Flackernde Lichter / Ausfall
Au weia
Wenn dann nicht Deine kompletten 12V Verbraucher durchgebrannt sind kannst Du Dich glücklich schätzen.
Wenn dann nicht Deine kompletten 12V Verbraucher durchgebrannt sind kannst Du Dich glücklich schätzen.
Zero S 11kWZF10.5
e-rider Thunder 5000: Ruht in Frieden
e-rider Thunder 5000: Ruht in Frieden
- Prinz_von_Sinnen
- Beiträge: 1358
- Registriert: So 21. Feb 2021, 11:45
- Roller: Futura Hawk 2.0
- PLZ: 32312
- Kontaktdaten:
Re: Flackernde Lichter / Ausfall
kann sein, das mein Schaltplan für den Blei Classico ist.
Suup wat kloar is,
segg wat woar is,
frie wat dor is
segg wat woar is,
frie wat dor is
Wer ist online?
Mitglieder in diesem Forum: 0 Mitglieder und 10 Gäste