Vereinfacht gesagt macht der Spannungswandler aus der Akku-Spannung (ca. 66 - 84V) +12 Volt und evtl. auch +5V (wenn benötigt) für die Boardelektronik. Also ähnlich wie ein Netztrafo, der die 240V Wechselspannung auf 12V für die Halogenleuchten heruntersetzt.... nur halt für Gleichspannung.
D.h. er wird primär für Blinker, Beleuchtung, Alarmanlage etc. benötigt, da die ja normalerweise nicht mit solch hohen Spannungen arbeiten.
Gegbenenfalls benötigt auch der Controller die +12V an irgendeinem Pin um ihm zu signalisieren, dass der Roller fahrbereit ist.
Die meisten Controller erkennen das aber an der Batteriespannung, die sie zusätzlich (neben dem Leistungs-Strang der Batteriespannung über die Hauptsicherung) über das Zündschloss erhalten.
Der Spannungswandler wird ebenso wie der Controller über das Zündschloss und eine gemeinsame Sicherung mit der Batteriespannung versorgt.
Ist der DC-DC Wandler kaputt, brennt i.d.R. die Sicherung durch und somit erhält auch der Controller nicht mehr die über das Zündschloss geschaltete Batteriespannung.
Dass dann "hinter einem defekten DC-DC Wandler" nix mehr rauskommt sollte auch klar sein.
Typische Symptome bei einem defekten Spannungswandler sind folglich:
Roller stellt sich tot, d.h. kein Blinker, kein Licht, keine Reaktion auf irgendwas...
Classico li blieb stehen, ging nicht mehr an
- jeff-jordan
- Beiträge: 1219
- Registriert: Sa 16. Mai 2020, 08:47
- Roller: Classico LI & Z-Odin
- PLZ: 6...
- Tätigkeit: Dem Inschenjöhr is nix zu schwöhr...
- Kontaktdaten:
Re: Classico li blieb stehen, ging nicht mehr an
Classico Li 05/2020 11 000+ km & Z-Odin 12/2021 33 500+ km 
- Prinz_von_Sinnen
- Beiträge: 1358
- Registriert: So 21. Feb 2021, 11:45
- Roller: Futura Hawk 2.0
- PLZ: 32312
- Kontaktdaten:
Re: Classico li blieb stehen, ging nicht mehr an
bei mir (Hawk 2.0) war der vordere Spannungswandler defekt. Roller fuhr 25km/h keim Licht, kein Tacho.
Ich glaube aber, es gibt hinten noch einen Spannungswandler...
Ich glaube aber, es gibt hinten noch einen Spannungswandler...
Suup wat kloar is,
segg wat woar is,
frie wat dor is
segg wat woar is,
frie wat dor is
- Prinz_von_Sinnen
- Beiträge: 1358
- Registriert: So 21. Feb 2021, 11:45
- Roller: Futura Hawk 2.0
- PLZ: 32312
- Kontaktdaten:
Re: Classico li blieb stehen, ging nicht mehr an
Ich werde da nicht ganz schlau draus, der Tacho hängt doch nicht an 72 Volt?
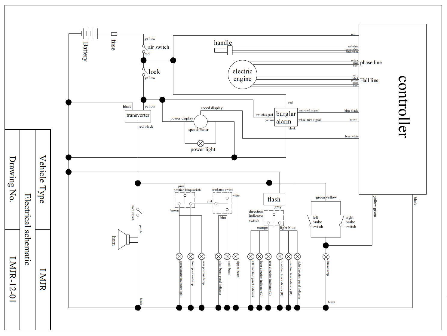
Was soll der Air Switch sein?
Aber das Zündschloß könnte man mal zum Testen überbrücken, die gehen doch schnell kaputt, wenn da die schweren Schlüssel dran hängen.
Was soll der Air Switch sein?
Aber das Zündschloß könnte man mal zum Testen überbrücken, die gehen doch schnell kaputt, wenn da die schweren Schlüssel dran hängen.
Suup wat kloar is,
segg wat woar is,
frie wat dor is
segg wat woar is,
frie wat dor is
- jeff-jordan
- Beiträge: 1219
- Registriert: Sa 16. Mai 2020, 08:47
- Roller: Classico LI & Z-Odin
- PLZ: 6...
- Tätigkeit: Dem Inschenjöhr is nix zu schwöhr...
- Kontaktdaten:
Re: Classico li blieb stehen, ging nicht mehr an
Vergiss das "Schaltbild"... das kann man nur grob für bare Münze nehmen.
Mit "Air-Switch" ist hier der Hauptschalter gemeint, also der Sicherungsautomat unter der Sitzbank.... den man immer schön ausschalten sollte, bevor man den Stecker vom Akku aufsteckt.
Und klar hängt der Tacho an den 72V, via "lock" (= Zündschloss).
Bei dem Tacho der bei mir verbaut ist, bleibt ohne die 72V schlichtweg das Display dunkel.
Mit "Air-Switch" ist hier der Hauptschalter gemeint, also der Sicherungsautomat unter der Sitzbank.... den man immer schön ausschalten sollte, bevor man den Stecker vom Akku aufsteckt.
Und klar hängt der Tacho an den 72V, via "lock" (= Zündschloss).
Bei dem Tacho der bei mir verbaut ist, bleibt ohne die 72V schlichtweg das Display dunkel.
Classico Li 05/2020 11 000+ km & Z-Odin 12/2021 33 500+ km 
Wer ist online?
Mitglieder in diesem Forum: 0 Mitglieder und 11 Gäste