Meine Erfahrung mit dem Geco 3000
-
Shorty2812
- Beiträge: 23
- Registriert: Do 25. Jul 2024, 08:44
- Roller: Geco Beach 3.0
- PLZ: 51381
- Kontaktdaten:
Re: Meine Erfahrung mit dem Geco 3000
Hallo zusammen.
Vielleicht kann mir nochmal jemand netterweise helfen!?
Ich war jetzt soweit meinen neuen Akku zu montieren.
Ich habe angefangen alle roten (+?) Kabel mit der Anderson Kupplung zu verbinden. Beim letzten Kabel gab es einen Knall, funken sprüten und die Öse klebte an der Schraube fest. Es sind aktuell aber noch immer die Akkus demontiert. Eigentlich darf doch gar kein Saft mehr da sein!? Ich verstehe es nicht. Das Kabel von dem der Saft offensichtlich ausgeht führt auch nach vorne und nicht nach hinten.
Habt Ihr vielleicht eine Erklärung und ggf. einen Rat dafür?
Vielen lieben Dank
Shorty
Vielleicht kann mir nochmal jemand netterweise helfen!?
Ich war jetzt soweit meinen neuen Akku zu montieren.
Ich habe angefangen alle roten (+?) Kabel mit der Anderson Kupplung zu verbinden. Beim letzten Kabel gab es einen Knall, funken sprüten und die Öse klebte an der Schraube fest. Es sind aktuell aber noch immer die Akkus demontiert. Eigentlich darf doch gar kein Saft mehr da sein!? Ich verstehe es nicht. Das Kabel von dem der Saft offensichtlich ausgeht führt auch nach vorne und nicht nach hinten.
Habt Ihr vielleicht eine Erklärung und ggf. einen Rat dafür?
Vielen lieben Dank
Shorty
- Fasemann
- Beiträge: 3542
- Registriert: Sa 14. Okt 2017, 22:05
- Roller: Nova E-Retro Star
- PLZ: 21614
- Wohnort: Buxtehude
- Tätigkeit: Kann so ziemlich vieles
- Kontaktdaten:
Re: Meine Erfahrung mit dem Geco 3000
Die 4/ 5 Verbinder zwischen den Batterien kommen ja weg, da war wohl im Controller etwas Energie gespeichert.
Von 2017 an 2x GoE zusammen mit 25 Tkm verkauft 4/24.
Nova E-Retro Star exBlei aus 2020, ab 02/24 und ab1000 km mit Lithium.
4/24 Tisto Luna mit 700 km eingezogen
3/25 UNU aus 2016 mit 1960 km und kleinem Diebstahlschaden.
Nova E-Retro Star exBlei aus 2020, ab 02/24 und ab1000 km mit Lithium.
4/24 Tisto Luna mit 700 km eingezogen
3/25 UNU aus 2016 mit 1960 km und kleinem Diebstahlschaden.
-
Shorty2812
- Beiträge: 23
- Registriert: Do 25. Jul 2024, 08:44
- Roller: Geco Beach 3.0
- PLZ: 51381
- Kontaktdaten:
Re: Meine Erfahrung mit dem Geco 3000
Also ist das „Restenergie“? Gibt es eine Möglichkeit diese zu entladen ohne Funken etc? Im Moment scheint da noch ne Menge Energie drauf zu sein. An anschließen ist nicht zu denken. Knallt, funkt, qualmt.
- Fasemann
- Beiträge: 3542
- Registriert: Sa 14. Okt 2017, 22:05
- Roller: Nova E-Retro Star
- PLZ: 21614
- Wohnort: Buxtehude
- Tätigkeit: Kann so ziemlich vieles
- Kontaktdaten:
Re: Meine Erfahrung mit dem Geco 3000
Normal nimmt man da eine eine Fassung E27 mit einer 60 W Birne klassisch, die würd einmal hell und dann ist leer.
Aber vielleicht solltest du noch mal deine Bilder durchsehen oder die 6 Batterie suchen?
Aber vielleicht solltest du noch mal deine Bilder durchsehen oder die 6 Batterie suchen?
Von 2017 an 2x GoE zusammen mit 25 Tkm verkauft 4/24.
Nova E-Retro Star exBlei aus 2020, ab 02/24 und ab1000 km mit Lithium.
4/24 Tisto Luna mit 700 km eingezogen
3/25 UNU aus 2016 mit 1960 km und kleinem Diebstahlschaden.
Nova E-Retro Star exBlei aus 2020, ab 02/24 und ab1000 km mit Lithium.
4/24 Tisto Luna mit 700 km eingezogen
3/25 UNU aus 2016 mit 1960 km und kleinem Diebstahlschaden.
-
Shorty2812
- Beiträge: 23
- Registriert: Do 25. Jul 2024, 08:44
- Roller: Geco Beach 3.0
- PLZ: 51381
- Kontaktdaten:
Re: Meine Erfahrung mit dem Geco 3000
Ich war jetzt extra nochmal in der Garage und habe nachgeschaut. Ich habe definitiv 6 Akkus mit 12V und 48,1Ah ausgebaut. Sie stehen neben dem Geco. Hab schon überlegt ob es ihn auch mit 84V gibt.
Das mit der Glühbirne werde ich morgen ausprobieren.
Danke für den Tipp.
Gruß
-
Shorty2812
- Beiträge: 23
- Registriert: Do 25. Jul 2024, 08:44
- Roller: Geco Beach 3.0
- PLZ: 51381
- Kontaktdaten:
Re: Meine Erfahrung mit dem Geco 3000
Ich habe es gerade mit der Glühbirne ausprobiert. Leider ohne Erfolg. Es tat sich nichts.
Danach habe ich mit der Fassung ein wenig rumprobiett ob ich auch das richtige Kabel versucht habe. Wenn ich das eingekreiste schwarze Kabel über die Fassung mit dem roten Kabel verbinde klackt es im Heck und die gelb eingekreiste LED fängt an rot zu blinken.
Wenn. Ich das rote wie gehabt versuche mit dem anderen zu verbinden blitzt und knallt es weiterhin.
Habe die ausgebauten Akkus auch mal fotografiert. Es sind wirklich 6.
Gruß
-
Shorty2812
- Beiträge: 23
- Registriert: Do 25. Jul 2024, 08:44
- Roller: Geco Beach 3.0
- PLZ: 51381
- Kontaktdaten:
Re: Meine Erfahrung mit dem Geco 3000
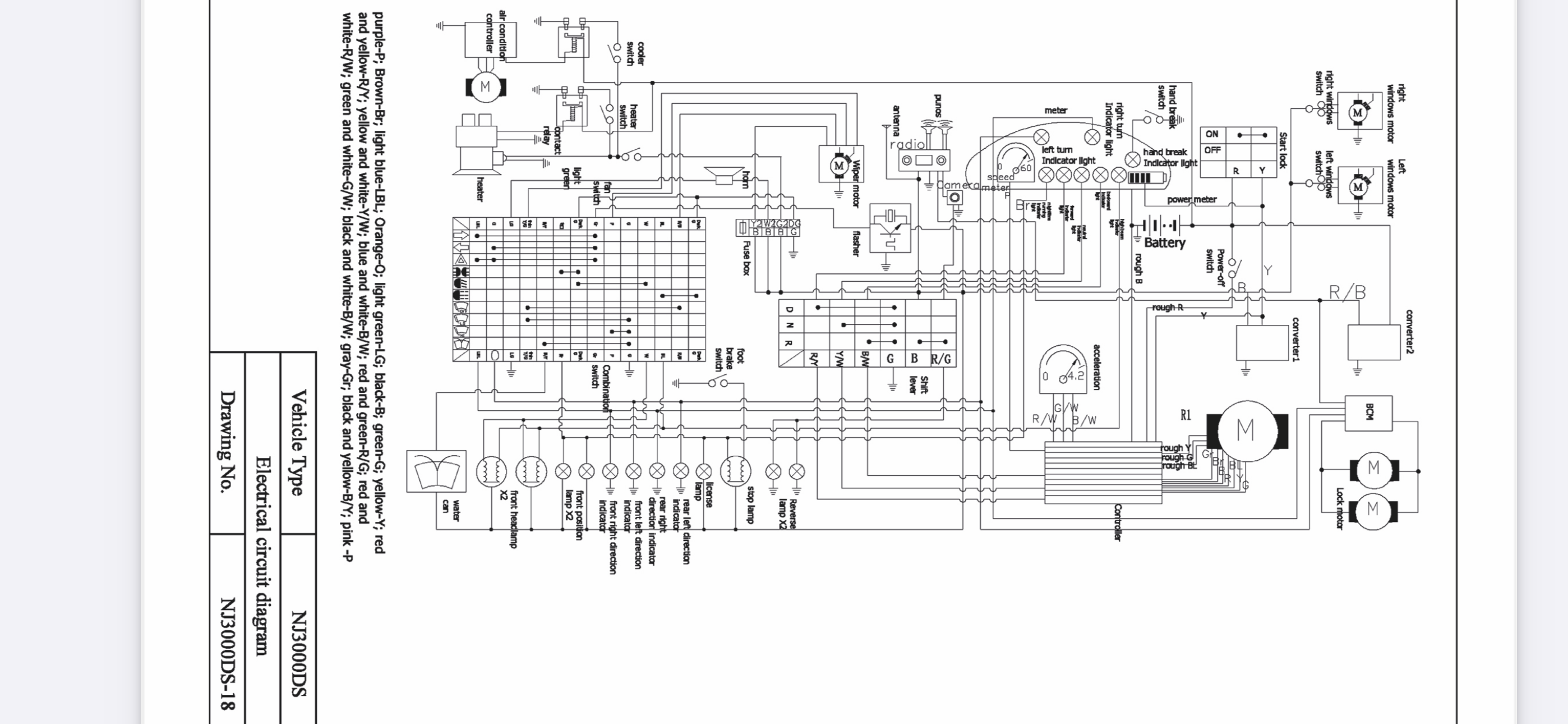
Vielleicht kann da jemand von euch was draus „lesen“? Ich verstehe da garnichts.
-
Shorty2812
- Beiträge: 23
- Registriert: Do 25. Jul 2024, 08:44
- Roller: Geco Beach 3.0
- PLZ: 51381
- Kontaktdaten:
Re: Meine Erfahrung mit dem Geco 3000
So, ich habe jetzt nochmal mit einem Kumpel nachgeschaut und offensichtlich sind unter dem Sitz noch weitere Akkus.
Aber wie kann das sein? Er soll 60V haben. Ich habe 6 mit 12V raus geholt. Also 72V. Und jetzt noch weitere?
Was mich stutzig macht, die Akkus haben 12V 48,1 Ah.
Laut Fahrzeugbeschreibung 60V 90Ah.
Ich bin verwirrt
Aber wie kann das sein? Er soll 60V haben. Ich habe 6 mit 12V raus geholt. Also 72V. Und jetzt noch weitere?
Was mich stutzig macht, die Akkus haben 12V 48,1 Ah.
Laut Fahrzeugbeschreibung 60V 90Ah.
Ich bin verwirrt
- Fasemann
- Beiträge: 3542
- Registriert: Sa 14. Okt 2017, 22:05
- Roller: Nova E-Retro Star
- PLZ: 21614
- Wohnort: Buxtehude
- Tätigkeit: Kann so ziemlich vieles
- Kontaktdaten:
Re: Meine Erfahrung mit dem Geco 3000
Das ist das übliche Durcheinander, Hersteller ABX macht das was Gg, Zi und 756 bestellen, je nach Land und Lieferung wird wahllos was zusammengestellt und der Käufer merkt es erst viel später oder ein Vorbesitzer hat den mal getunt??
Wobei 60 V und 90Ah wären 10 Batterien mit 12V und 45 Ah, wer vertreibt denn das Gerät und was steht im COC?
Wobei 60 V und 90Ah wären 10 Batterien mit 12V und 45 Ah, wer vertreibt denn das Gerät und was steht im COC?
Von 2017 an 2x GoE zusammen mit 25 Tkm verkauft 4/24.
Nova E-Retro Star exBlei aus 2020, ab 02/24 und ab1000 km mit Lithium.
4/24 Tisto Luna mit 700 km eingezogen
3/25 UNU aus 2016 mit 1960 km und kleinem Diebstahlschaden.
Nova E-Retro Star exBlei aus 2020, ab 02/24 und ab1000 km mit Lithium.
4/24 Tisto Luna mit 700 km eingezogen
3/25 UNU aus 2016 mit 1960 km und kleinem Diebstahlschaden.
-
Günter Th
- Beiträge: 331
- Registriert: Do 4. Feb 2021, 14:42
- Roller: Anaig 2000, e-milio 2,8KW
- PLZ: 99
- Kontaktdaten:
Re: Meine Erfahrung mit dem Geco 3000
Hallo,
1.Ungewöhnlich das die Akkus 48,1 ah haben sollen?
2 wahrscheinlich besteht eine parallelschaltung, weshalb es zum Kurzschluss kommt.
Gruß Günter
1.Ungewöhnlich das die Akkus 48,1 ah haben sollen?
2 wahrscheinlich besteht eine parallelschaltung, weshalb es zum Kurzschluss kommt.
Gruß Günter
Wer ist online?
Mitglieder in diesem Forum: 0 Mitglieder und 16 Gäste