Volta VT5 Erfahrungsberichte
-
yamaha-luhe
- Beiträge: 5
- Registriert: Sa 18. Mai 2024, 09:00
- Roller: Volta VT5
- PLZ: 92706
- Kontaktdaten:
Re: Volta VT5 Erfahrungsberichte
Hi,
danke für die Antwort,
da sind 6 x 12 Volt in Reihe mit 60AH verbaut. Also 72 Volt 60AH gesamt. Der Motor ist mit 3,9 KW (Peak) angegeben. Rein rechnerisch sollte der Akku daher in der Lage sein gut 54 A zu liefern.
Gruß
Günther
PS.: Werde da mal rumstöbern. Danke
danke für die Antwort,
da sind 6 x 12 Volt in Reihe mit 60AH verbaut. Also 72 Volt 60AH gesamt. Der Motor ist mit 3,9 KW (Peak) angegeben. Rein rechnerisch sollte der Akku daher in der Lage sein gut 54 A zu liefern.
Gruß
Günther
PS.: Werde da mal rumstöbern. Danke
-
yamaha-luhe
- Beiträge: 5
- Registriert: Sa 18. Mai 2024, 09:00
- Roller: Volta VT5
- PLZ: 92706
- Kontaktdaten:
Re: Volta VT5 Erfahrungsberichte
Hallo Bertolt,
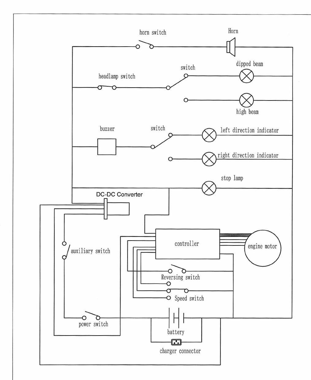
auf mich machts den Eindruck, als würdest du dich in Sachen Elektro gut auskennen. Hab mal ein Bild eines Akkus 70AH beigefügt. Da ich mich mit dem Teil in einem Radius von max. 5 km bewege und das Laden die Sonne übernimmt, wäre der völlig ausreichend. Der Akku hat eine separate Ladebuchse. Müsste man hald mit der vorhandenen verbinden und die vorhandene Verkabelung (siehe Bild Stromlaufplan, denk, ist so oder ähnlich bei allen China-Rollern) im Bereich Charge-Connector auflösen.
Gruß,
Günther
auf mich machts den Eindruck, als würdest du dich in Sachen Elektro gut auskennen. Hab mal ein Bild eines Akkus 70AH beigefügt. Da ich mich mit dem Teil in einem Radius von max. 5 km bewege und das Laden die Sonne übernimmt, wäre der völlig ausreichend. Der Akku hat eine separate Ladebuchse. Müsste man hald mit der vorhandenen verbinden und die vorhandene Verkabelung (siehe Bild Stromlaufplan, denk, ist so oder ähnlich bei allen China-Rollern) im Bereich Charge-Connector auflösen.
Gruß,
Günther
- Schnabelwesen
- Moderator
- Beiträge: 2220
- Registriert: So 14. Mär 2021, 22:18
- Roller: E-Kuma Sun S / Trinity Neptun
- PLZ: 2411
- Wohnort: Kiel
- Tätigkeit: Werkstatt für E-Roller und Artverwandte als
Kleinunternehmen tl-elekTiCK - ein Tick für Tricks - Kontaktdaten:
Re: Volta VT5 Erfahrungsberichte
Hallo Günther,
das wird wohl dieser Akku sein:
794,84€ | Seenruy lifepo4 48v 60v 72v 60ah Akku mit Bluetooth BMS Peak 180a für RV EV Motorrad Elektro fahrrad mit 10a Ladegerät
https://a.aliexpress.com/_EzQFYtl
Natürlich in der 72v-Version. Bei der Bestellung muss man echt aufpassen, dass man das richtige Modell und die passenden Stecker bekommt.
Dieser Akku hat ein Bluetooth-Modul, sodass man auf der Handy-App die Zellspannungen überwachen kann. Deshalb ist anzunehmen, dass vernünftige Zellen drin sind, weil ein Fehler ja sofort zu sehen wäre.
Grundsätzlich gilt:
1. Die Ladebuchse ist in diesen Akkus eigentlich immer parallel zum Entladekabel geschaltet, also als "common port". Du könntest das Ladekabel also auch mit an den Controller klemmen oder sonstwo außerhalb des Akkus parallel schalten - so wie in deinem Schaltplan.
2. Die Kapazität ist zweitranging, wenn es darum geht, ob der Akku den Bleiakku direkt ersetzen kann, also ohne weitere Änderungen am Controller. Wichtiger sind die Spannungswerte der Zellen, also Ladespannung (passendes Ladegerät ist ja dabei), Ladeschlussspannung (in Ruhe nach dem Laden), Nominalspannung (72v) und Entladeschlussspannung. Dieser Lifepo4-Akku scheint 24 Zellen (bzw. parallele Zellstränge) in Reihe zu haben, also 24S (für seriell). Dessen Werte passen eigentlich ganz gut.
3. Allerdings wird weiter unten ja berichtet, dass solche Umbauten wie verrückt laufen und den Motor überfordern. Dafür habe ich erstmal keine Erklärung. Möglicherweise ist der Controller nicht gut genug auf den Motor abgestimmt. Er müsste eigentlich den Strom oder die Drehzahl begrenzen, auch wenn er durch einen leistungsfähigeren Akku versorgt wird. Wie dem auch sei: Den neuen Akku immer nur bis 80 Volt zu laden, scheint mir eher problematisch. Jedenfalls gelegentlich sollte man vollladen, damit die Zellen ausbalanciert werden. Das Problem sollte hier noch mal diskutiert werden.
4. Die Kapazität und die Stromlieferfähigkeit sollten für deine Zwecke allemal ausreichen, auch wenn entsprechende Angaben hier fehlen. Vielleicht schaust du auch bei GTK (AliExpress), die geben die Daten genauer an.
Schöne Grüße, Bertolt
das wird wohl dieser Akku sein:
794,84€ | Seenruy lifepo4 48v 60v 72v 60ah Akku mit Bluetooth BMS Peak 180a für RV EV Motorrad Elektro fahrrad mit 10a Ladegerät
https://a.aliexpress.com/_EzQFYtl
Natürlich in der 72v-Version. Bei der Bestellung muss man echt aufpassen, dass man das richtige Modell und die passenden Stecker bekommt.
Dieser Akku hat ein Bluetooth-Modul, sodass man auf der Handy-App die Zellspannungen überwachen kann. Deshalb ist anzunehmen, dass vernünftige Zellen drin sind, weil ein Fehler ja sofort zu sehen wäre.
Grundsätzlich gilt:
1. Die Ladebuchse ist in diesen Akkus eigentlich immer parallel zum Entladekabel geschaltet, also als "common port". Du könntest das Ladekabel also auch mit an den Controller klemmen oder sonstwo außerhalb des Akkus parallel schalten - so wie in deinem Schaltplan.
2. Die Kapazität ist zweitranging, wenn es darum geht, ob der Akku den Bleiakku direkt ersetzen kann, also ohne weitere Änderungen am Controller. Wichtiger sind die Spannungswerte der Zellen, also Ladespannung (passendes Ladegerät ist ja dabei), Ladeschlussspannung (in Ruhe nach dem Laden), Nominalspannung (72v) und Entladeschlussspannung. Dieser Lifepo4-Akku scheint 24 Zellen (bzw. parallele Zellstränge) in Reihe zu haben, also 24S (für seriell). Dessen Werte passen eigentlich ganz gut.
3. Allerdings wird weiter unten ja berichtet, dass solche Umbauten wie verrückt laufen und den Motor überfordern. Dafür habe ich erstmal keine Erklärung. Möglicherweise ist der Controller nicht gut genug auf den Motor abgestimmt. Er müsste eigentlich den Strom oder die Drehzahl begrenzen, auch wenn er durch einen leistungsfähigeren Akku versorgt wird. Wie dem auch sei: Den neuen Akku immer nur bis 80 Volt zu laden, scheint mir eher problematisch. Jedenfalls gelegentlich sollte man vollladen, damit die Zellen ausbalanciert werden. Das Problem sollte hier noch mal diskutiert werden.
4. Die Kapazität und die Stromlieferfähigkeit sollten für deine Zwecke allemal ausreichen, auch wenn entsprechende Angaben hier fehlen. Vielleicht schaust du auch bei GTK (AliExpress), die geben die Daten genauer an.
Schöne Grüße, Bertolt
E-Kuma Sun-S 2022 - Scheibe, Topcase, Heidenau K58
ATU Explorer E-Cruzer 2019 - 40Ah, Lingbo 72152HK5 mit Display, Scheibe, City Grip 2
Trinity Neptun - GTK-Doppelakku á 20s10p, smartes BMS, LingBo 72152
Trinity Uranus 2015 - 28Ah LiIon (in Wartestellung)
Vectrix VX-1 von 2010 - LiIonNMC 36s 173Ah mit Daly Smart-BMS in Arbeit
ATU Explorer E-Cruzer 2019 - 40Ah, Lingbo 72152HK5 mit Display, Scheibe, City Grip 2
Trinity Neptun - GTK-Doppelakku á 20s10p, smartes BMS, LingBo 72152
Trinity Uranus 2015 - 28Ah LiIon (in Wartestellung)
Vectrix VX-1 von 2010 - LiIonNMC 36s 173Ah mit Daly Smart-BMS in Arbeit
-
yamaha-luhe
- Beiträge: 5
- Registriert: Sa 18. Mai 2024, 09:00
- Roller: Volta VT5
- PLZ: 92706
- Kontaktdaten:
Re: Volta VT5 Erfahrungsberichte
Danke für die Antwort. Hat jemand eine Ahnung, warum das Teil nach Verzögern unterhalb einer bestimmten Drehzahl erstmal hergebremst wird, wenn man wieder beschleunigen möchte? Kann ja nur am Magnetfeld im Motor liegen...ansonsten bremst ja nichts. Vlt. wegen ungleichmäßigem Aufbaus der Magnetfelder im Motor (da bin ich Laie und kann nur vermuten). Liegts am Controller? Gasgriff? Die Fahrweise kann man anpassen um das zu minimieren. Nervt aber trotzdem. Vlt. gibts dazu ja schon was im Forum.
Danke im Voraus
Günther
Danke im Voraus
Günther
- no2021
- Beiträge: 190
- Registriert: Di 22. Sep 2020, 03:06
- Roller: e-runner(Leo)1600WSunRa-MotorBlei20Ah72V
- PLZ: 2
- Kontaktdaten:
Re: Volta VT5 Erfahrungsberichte
Genau das merkwürdige Verhalten des VT5 habe ich bei meiner ersten Fahrt auch festgestellt. Lasse ich den VT5 ohne zu bremsen ausrollen, möchte kurz bevor der VT5 zum Stehen kommt sanft beschleunigen. Aber obwohl ich den Fahdrehschalter ( Gasdrehgriff) drehe, bremst der VT5 sehr stark ruckartig ab um danach stark zu beschleunigen. Ich habe den Bremshebel und die Fußbremse nicht betätigt. Könnte das an der Recuperation des VT5 liegen, vermuteter Wechsel von Segeln - Leerlauf und dann beim Beschleunigen setzt die Recuperation kurz ein, danach ist die Recuperation gleich ausgeschaltet und der VT5 beschleunigt. Letztlich ist das nur eine Vermutung, denn ich weiß nicht, ob der VT5 überhaupt eine Recuperation hat, ohne das der Bremshebel oder Fußbremse betätigt wurde. Kann jemand sagen, wie die Recuperation beim VT5 arbeitet?
-
yamaha-luhe
- Beiträge: 5
- Registriert: Sa 18. Mai 2024, 09:00
- Roller: Volta VT5
- PLZ: 92706
- Kontaktdaten:
Re: Volta VT5 Erfahrungsberichte
Kann mir nicht vorstellen, dass das Teil mit Recuperation arbeitet. Kann nur an den Magnetfeldern im Motor liegen. Vermute, dass die kurze Zeitspanne nur eines bzw. das andere nicht ausreichend vorhanden ist und es daher zur Bremsung kommt. Hab das 12 Volt-Kabel (12 Volt nur bei Bremsung) am Öffner - Relais abgeklemmt. Da wirds besser, da beim Bremsen nicht mehr getrennt wird. Aber weg ist es nicht.
Vermutlich würden leistungsstärkere Batterien helfen. Ggf. anderer Controller ...versuche Kontakt mit dem Lieferanten herzustellen. Ist nicht einfach. Sobald ich was weiß, werde ich hier berichten.
Vermutlich würden leistungsstärkere Batterien helfen. Ggf. anderer Controller ...versuche Kontakt mit dem Lieferanten herzustellen. Ist nicht einfach. Sobald ich was weiß, werde ich hier berichten.
-
06641438319
- Beiträge: 1
- Registriert: Do 25. Jul 2024, 14:45
- Roller: Vt5
- PLZ: 2332
- Land: A
- Kontaktdaten:
Re: Volta VT5 Erfahrungsberichte
Hallo aus Österreich.
Habe mir so ein Gefährt von Hr. Calik Hanau gekauft.
Geld schnell kassiert, Lieferung war auch O. K. Jedoch nach Problem mit Ölverlust und etlichen Mails, seit Anfang Mai und vergeblichen Anrufen, Funk-Stille. Das nächste Mal nehme ich die € 2.990.- und mache mir ein paar schöne Tage.
Ich sage nur Finger weg von dieser Firma, ausser ihr wollt euch nur Ärgern und Geld verlieren
Nie wieder mit dieser Firma
Rechtsanwalt wird eingeschaltet.
Grüße aus Österreich
Habe mir so ein Gefährt von Hr. Calik Hanau gekauft.
Geld schnell kassiert, Lieferung war auch O. K. Jedoch nach Problem mit Ölverlust und etlichen Mails, seit Anfang Mai und vergeblichen Anrufen, Funk-Stille. Das nächste Mal nehme ich die € 2.990.- und mache mir ein paar schöne Tage.
Ich sage nur Finger weg von dieser Firma, ausser ihr wollt euch nur Ärgern und Geld verlieren
Nie wieder mit dieser Firma
Rechtsanwalt wird eingeschaltet.
Grüße aus Österreich
-
Michelwsf
- Beiträge: 1
- Registriert: Do 1. Aug 2024, 15:04
- Roller: Volta VT5+ VTA-VT5P-RE-45
- PLZ: 06667
- Kontaktdaten:
Re: Volta VT5 Erfahrungsberichte
Hallo Kalle,
Hast du vielleicht noch einen Link für den Controller. Ich habe nach Fardriver Controller gesucht und viele Teile mit 72V gefunden.
Vielen Dank im voraus
Michel
-
KalleK
- Beiträge: 2
- Registriert: Mi 31. Jan 2024, 18:12
- Roller: Volta VT5, Long Andre Lastenrad
- PLZ: 18439
- Kontaktdaten:
Re: Volta VT5 Erfahrungsberichte
Sorry für späte Antwort, bin gerade im Urlaub.
Hier der Link:
https://de.aliexpress.com/item/10050047 ... pt=glo2deu
Funktioniert bestens, nur die Programmierung war manchmal nervig.
Gruß
Kalle
Hier der Link:
https://de.aliexpress.com/item/10050047 ... pt=glo2deu
Funktioniert bestens, nur die Programmierung war manchmal nervig.
Gruß
Kalle
-
Pepperoni
- Beiträge: 1
- Registriert: Di 12. Nov 2024, 13:54
- Roller: VT5
- PLZ: 83236
- Kontaktdaten:
Re: Volta VT5 Erfahrungsberichte
Liebe Freunde der rollenden Maschinen,
ich hab seid März eine Volta VT 5.
Leider macht mein Pepperoni was er will. Er schaltet auf langsam obwohl alle Batterien vollständig geladen sind, der Tacho zeigt die falsche Geschwindigkeit 70kmh! fährt aber nur 45. an was liegt das? Ich arbeite im Kindergarten und bin schon 2 mal zu spät in die Arbeit gekommen
weil wie oben beschrieben Pepperoni macht was er will.
Könnt ihr mir weiter helfen.
Merci und einen lieben Gruß vom Chiemsee
Katharina
ich hab seid März eine Volta VT 5.
Leider macht mein Pepperoni was er will. Er schaltet auf langsam obwohl alle Batterien vollständig geladen sind, der Tacho zeigt die falsche Geschwindigkeit 70kmh! fährt aber nur 45. an was liegt das? Ich arbeite im Kindergarten und bin schon 2 mal zu spät in die Arbeit gekommen
Könnt ihr mir weiter helfen.
Merci und einen lieben Gruß vom Chiemsee
Katharina
Wer ist online?
Mitglieder in diesem Forum: Google [Bot] und 8 Gäste