Gesamte Elektrik ausgefallen (außer Motor) - DC/DC defekt?

Benutzeravatar
Redox
Beiträge: 34
Registriert: Do 22. Aug 2019, 15:54
PLZ: 8
Kontaktdaten:

Gesamte Elektrik ausgefallen (außer Motor) - DC/DC defekt?

Beitrag von Redox »

Bei meinem Trixi 4.3, 4 Jahre alt, LifePo4 (Baugleich mit Econelo M1) ist die gesamte Elektrik ausgefallen - nur der Motor läuft noch, fahren geht also noch.
  • Vor ca. 1 Monat fiel während der Fahrt der Tacho aus und startete sofort wieder neu ("Welcome ..."). Fahrmäßig habe ich nichts gespürt - also kein Abbremsen während der Fahrt. Das passierte in den folgenden Wochen noch einige male.
  • Vor einer Woche passiert das während einer Fahrt 3 mal nacheinander im Abstand von ca. 500m.
  • Vorgestern wollte ich starten und nichts ging mehr. Ich habe dann einige Schalter betätigt (Licht, Blinker, Lüftung, etc.). Und plötzlich ging wieder alles.
  • Gestern wollte ich erneut starten und wieder ging nichts mehr. Diesmal halfen auch keine Schalter mehr. Nur "fahren" ging noch (vorwärts, rückwärts). Aber sonst alles tot: Tacho, Licht, Blinker, Lüftung, Fensterheber, Funk-Türöffner, etc.
Mein Händler (500 km entfernt) sagte mir: "Ganz klar: DC/DC Wandler defekt. All diese ausgefallenen Geräte werden mit 12 V betrieben."

Meine Frage: Ist das die plausibelste Erklärung ? Oder liegt es vielleicht doch eher an einem lockeren, korrodierten oder oxidierten Anschlusspol des Minus-Pols? Ich frage deshalb, weil der Fehler sich über einen Monat langsam ankündigte und immer schlimmer wurde.

Wenn letzteres der Fall ist: Wo sollte ich zuerst suchen?
  • Am Controler? Gibt’s dort einen Minus-Anschluss-Pol der zum DC/DC-Wandler führt?
  • Am Zündschloss?
  • Oder am DC/DC-Eingang?
Und welches Teil ist der DC/DC-Wandler? Ich habe da scheinbar zwei - siehe Bilder.
IMG_20200415_154344.jpg
IMG_20200415_140619.jpg
IMG_20200415_140632.jpg

Benutzeravatar
E-Bik Andi
Beiträge: 2043
Registriert: Mo 3. Jul 2023, 13:32
Roller: EH Line Umbau, Econelo DTR
PLZ: 72
Kontaktdaten:

Re: Gesamte Elektrik ausgefallen (außer Motor) - DC/DC defekt?

Beitrag von E-Bik Andi »

Ja- hört sich sehr stark nach einem langsam gestorbenen DC/DC Wandler an. Genauer gesagt nach Elektrolytkondensatoren (ELKO´s) die sich im DC/DC Wandler verabschieden.
Die DC/DC Wandler gibt´s bei Amazon mit passenden Werten- hätte auch noch neue in der Werkstatt liegen bis 72V und 15A. Kannst kostenfrei plus Porto haben.
Liebe Grüße
Andi

Benutzeravatar
error
Beiträge: 2077
Registriert: Di 20. Dez 2022, 19:37
PLZ: 2
Kontaktdaten:

Re: Gesamte Elektrik ausgefallen (außer Motor) - DC/DC defekt?

Beitrag von error »

Redox hat geschrieben:
Di 5. Dez 2023, 12:16

Meine Frage: Ist das die plausibelste Erklärung ? Oder liegt es vielleicht doch eher an einem lockeren, korrodierten oder oxidierten Anschlusspol des Minus-Pols? Ich frage deshalb, weil der Fehler sich über einen Monat langsam ankündigte und immer schlimmer wurde.

Wenn letzteres der Fall ist: Wo sollte ich zuerst suchen?
Gibt es einen Schaltplan? - Damit wäre es einfacher die Fehlermöglichkeiten einzugrenzen.

Wenn das Fahrzeug "chinamäßig" beschaltet ist, scheinen Stromversorgung und Zündschloss zu funktionieren.

Damit bleiben eigentlich nur DC-DC-Wandler, Verkabelung oder ein Kurzschluss im 12V Teil.

Wenn sich gar nichts mehr tut, ist es eigentlich ziemlich einfach den Fehler zu finden.

Man kommt ja offensichtlich recht einfach an die Anschlüsse vom Wandler ran.

Benutzeravatar
didithekid
Beiträge: 7017
Registriert: So 6. Mai 2018, 06:15
Roller: div. L3e-Roller (80-97 km/h), ZERO SR/F
PLZ: 53757
Wohnort: Sankt Augustin - Menden
Tätigkeit: Ingenieur im Staatsdienst
Kontaktdaten:

Re: Gesamte Elektrik ausgefallen (außer Motor) - DC/DC defekt?

Beitrag von didithekid »

Hallo,
keine Ahnung, was die schwarze Box im KaRo für eine Sonder-Funktion hat. Aber das silberne Ding mit Aufschrift 60V -> 12V 20A ist auf jeden Fall der (oder einer der) DC/DC-Wandler.
Die einfachste Schaltart ist, dass mit Zündschoss ON eine Leitung auf Batterie-Plus geschaltet wird, die sich dann verzweigt zum Motor-Controller (der ja offenbar einwandfrei Funktioniert) und zum DC/DC-Konverter, wo es ja die Störungen im 12 Volt-System gibt. Auch wenn das Zündschloss nur das BMS des Akkus aktiviert und dieses den Strom zum Fahrzeug freigibt, gibt es ebenso diese Kabelverweigung an der Batterie-Plus-Leitung.
Der Fehler muss also hinter diesem Abzweig liegen.
Entweder:
- In der Leitung Abzweigung zum DC/DC-Converter (z. B. ein dortiger Stecker) oder
- im DC/DC-Konverter oder
- Im Minus-Kabel Batterie-Minus zum Konverter oder dessen Stecker
- in der 12 Volt-Verkabelung die aus dem Converter zum Licht- und Hupe-System führt (also zunächst wohl zum Lenker, wenn dort die Bedientasten sind) Da muss natürlich auch Plus und Minus für 12 Volt existieren; aber ggf. wird ein Minus-Kabel für Beide Spannungen gemeinsam genutzt.

Für so ein Fahrzeug sind 20 Ampere (240 Watt) eher wenig, womit der schleichende Fehler zu tun haben mag.
Hier gäbe es einen mit 30Ampere (360W):
https://de.aliexpress.com/item/10050034 ... Redirect=y
Auf dem scharzen Teil stehen ja weder Ampere noch Watt drauf. Das versorgt vieleicht nur den Tacho.

Viele Grüße
Didi
__________________________________________________________________________________________________________________________Thunder-Fury100/ MASINI Sportivo S (2010, 2011, 2012) 5kW, Innoscooter EM6000L 5kW (2011), ZERO SR/F 17.3 (2023)

Benutzeravatar
Redox
Beiträge: 34
Registriert: Do 22. Aug 2019, 15:54
PLZ: 8
Kontaktdaten:

Re: Gesamte Elektrik ausgefallen (außer Motor) - DC/DC defekt?

Beitrag von Redox »

error hat geschrieben:
Di 5. Dez 2023, 13:21
Gibt es einen Schaltplan? - Damit wäre es einfacher die Fehlermöglichkeiten einzugrenzen.
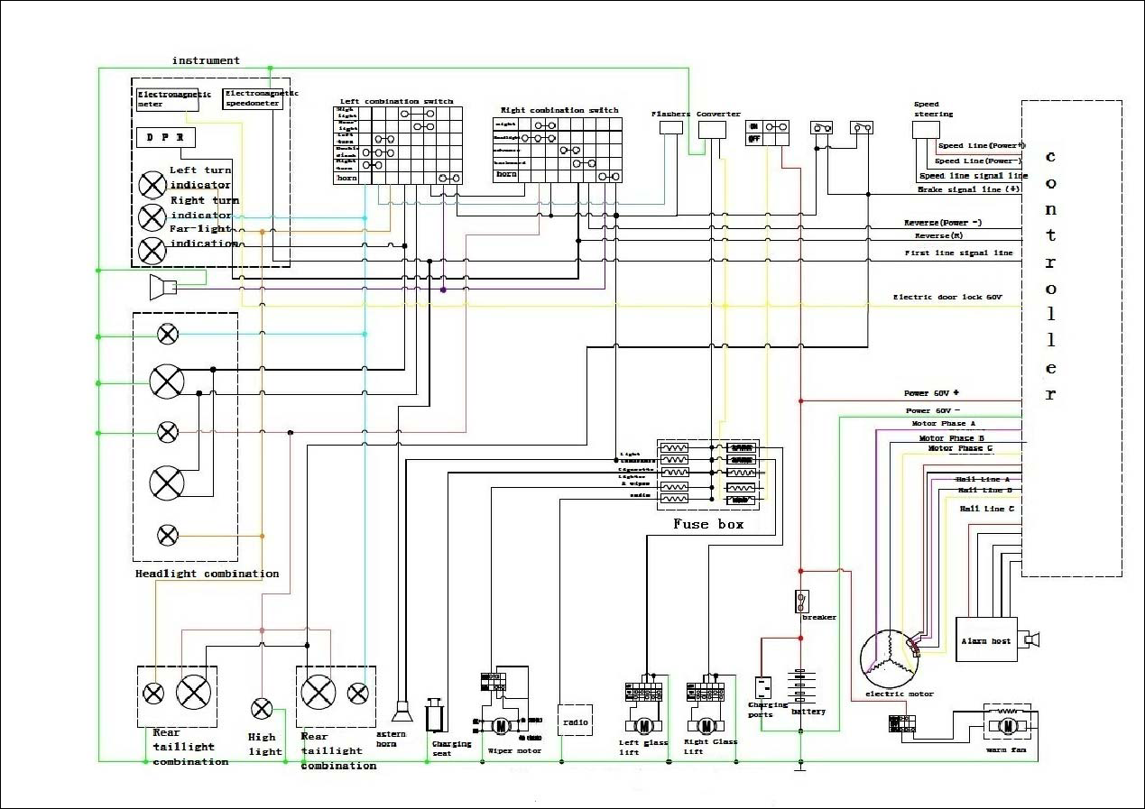
Diesen Schaltplan habe ich - schlechte Qualität:
Schaltplan.png
didithekid hat geschrieben:
Di 5. Dez 2023, 20:41
Für so ein Fahrzeug sind 20 Ampere (240 Watt) eher wenig, womit der schleichende Fehler zu tun haben mag.
Na ja, hat immerhin 4 Jahre gehalten.

Benutzeravatar
error
Beiträge: 2077
Registriert: Di 20. Dez 2022, 19:37
PLZ: 2
Kontaktdaten:

Re: Gesamte Elektrik ausgefallen (außer Motor) - DC/DC defekt?

Beitrag von error »

Redox hat geschrieben:
Di 5. Dez 2023, 22:27

Diesen Schaltplan habe ich - schlechte Qualität:
Gut genug um schlau draus zu werden. 8-)

Wenn ich das richtig interpretiere hast du +60V über einen Breaker laufen, danach geht es weiter zum Zündschloss und Controller.

Breaker muss also OK sein. - Check!

Danach geht +60V auf den Sicherungskasten (im Schaltplan gelb, die Sicherung rechts unten). - Da könntest du mal messen/prüfen.

Es könnte also durchaus die Sicherung zum DC-DC kaputt sein.

Die 12V Verbraucher hängen alle an Minus (im Plan grün) und es wird +12V abgesichert und geschaltet (im Plan schwarz).

Da müsstest du schon etwas Grundwissen haben um zu messen.

Aber generell sollte das Problem mit etwas "remote Support" hinzubekommen sein.

Mich wundert, dass dein Händler nichts von der Sicherung gesagt hat.

Zumindest gibt es die im Schaltplan.

Wenn die Sicherungen heil sind, wird vermutlich der DC-DC defekt sein.

Einen Kurzschluss auf dem 12V Zweig kann man dann wohl ausschließen.

Kurz: erst Sicherungen checken, dann DC-DC bestellen. Der dürfte günstiger sein als die erste Viertelstunde beim Händler.

Viel Erfolg.

Benutzeravatar
rainer*
Beiträge: 2073
Registriert: So 19. Sep 2021, 19:06
Roller: Supersoco TC Max
PLZ: 06108
Wohnort: Halle (Saale)
Kontaktdaten:

Re: Gesamte Elektrik ausgefallen (außer Motor) - DC/DC defekt?

Beitrag von rainer* »

Die schwarze Box ist beschriftet mit Steuerbox für Heizung. Steuerspannung 12v, Arbeitsspannungseingang 60v und Arbeitsspannungsausgang 24V. Ist im Schaltplan möglicherweise unten rechts, den Ein-/Aus-Schalter vermisse ich aber.

Benutzeravatar
didithekid
Beiträge: 7017
Registriert: So 6. Mai 2018, 06:15
Roller: div. L3e-Roller (80-97 km/h), ZERO SR/F
PLZ: 53757
Wohnort: Sankt Augustin - Menden
Tätigkeit: Ingenieur im Staatsdienst
Kontaktdaten:

Re: Gesamte Elektrik ausgefallen (außer Motor) - DC/DC defekt?

Beitrag von didithekid »

Hallo rainer*,
meinst Du hier diese schwarze Box:
Bild
Danke für deine Kenntnisse in chinesischer Mandarinschrift

Die Box wäre dann also kein zusätzlicher Konverter, sondern die Steuerungsbox für Heizung/Gebläse.
Da verstehe ich natürlich, dass ich so etwas vom (offenen) 2-Rad-Roller her nicht kenne.

Viele Grüße
Didi
Zuletzt geändert von didithekid am Do 7. Dez 2023, 21:03, insgesamt 1-mal geändert.
__________________________________________________________________________________________________________________________Thunder-Fury100/ MASINI Sportivo S (2010, 2011, 2012) 5kW, Innoscooter EM6000L 5kW (2011), ZERO SR/F 17.3 (2023)

Benutzeravatar
rainer*
Beiträge: 2073
Registriert: So 19. Sep 2021, 19:06
Roller: Supersoco TC Max
PLZ: 06108
Wohnort: Halle (Saale)
Kontaktdaten:

Re: Gesamte Elektrik ausgefallen (außer Motor) - DC/DC defekt?

Beitrag von rainer* »

Ich habe nur den Fotoübersetzer bemüht. Aber ich verstehe dass so, das die Box ein Wandler von 60V auf 24V für eine Elektroheizung aus dem LKW-Bereich(?). Und die Steuerspannung sollte 12V betragen (d.h. die lässt sich vom normalen Bordnetz ein- und ausschalten). Ist aber nur Spekulation, wie es genau aussieht, ich würde jedenfalls anfangen beim anderen Wandler den Fehler zu suchen.
Du kannst ja auf das Angebot von Andy eingehen und mal den (zu kleinen) Wandler ausprobieren. Wenn es daran lag, dann den größeren mit 20A kaufen und einbauen. Bei dem kleinen 15A-Wandler sollst Du aber das Licht nicht anmachen, möglicherweise reicht der nicht aus.

Benutzeravatar
E-Bik Andi
Beiträge: 2043
Registriert: Mo 3. Jul 2023, 13:32
Roller: EH Line Umbau, Econelo DTR
PLZ: 72
Kontaktdaten:

Re: Gesamte Elektrik ausgefallen (außer Motor) - DC/DC defekt?

Beitrag von E-Bik Andi »

rainer* hat geschrieben:
Do 7. Dez 2023, 10:38
Du kannst ja auf das Angebot von Andy eingehen und mal den (zu kleinen) Wandler ausprobieren. Wenn es daran lag, dann den größeren mit 20A kaufen und einbauen. Bei dem kleinen 15A-Wandler sollst Du aber das Licht nicht anmachen, möglicherweise reicht der nicht aus.
Wir haben schon kommuniziert- geht morgen raus, da ich noch nicht dazu gekommen bin. Eben- egal wieviel A der Wandler kann- System läuft wieder oder nicht. Und dann nen 30A+ Wandler rein und gut isses.
Liebe Grüße
Andi

Antworten

Zurück zu „Trixi 4.3 / eLazzy / Stormborn X8“

Wer ist online?

Mitglieder in diesem Forum: 0 Mitglieder und 18 Gäste